Topic: UTP Navigator
Здравствуйте!
Поддерживает ли ваше ПО терминалы УТП-М, производства "Навигатор технолоджи"?
http://ntcnvg.ru/
http://ends-russia.ru/
New account creation is currently unavailable. Existing members can continue reading and joining discussions.
Здравствуйте!
Поддерживает ли ваше ПО терминалы УТП-М, производства "Навигатор технолоджи"?
http://ntcnvg.ru/
http://ends-russia.ru/
Keen, в настоящий момент времени - нет.
Доброго времени суток.
Есть ли у кого-нибудь опыт работы с девайсами от ЕНДС? Возможно ли их перепрограмировать на Виалон?
Спасибо.
Народ, всем привет, возник вопрос о ЕНДС, у кого есть какая информация насчет них, как работают,отзывы,проблемы, может с которыми столкнулись в процессе, чем лучше\хуже wialon'a, софт,оборудование и т.д.
В общем интересует вся подноготная компании ЕНДС. Очень срочно.
Народ, всем привет, возник вопрос о ЕНДС, у кого есть какая информация насчет них, как работают,отзывы,проблемы, может с которыми столкнулись в процессе, чем лучше\хуже wialon'a, софт,оборудование и т.д.
В общем интересует вся подноготная компании ЕНДС. Очень срочно.
Я думаю, что если в поисковике данного форума набрать "ЕНДС", то сможете найти много интересного! Пару тем есть точно!
Да но кроме некоторых фактов приведенными в пользу того, что ЕНДС косячники,ничего нету, хотелось бы увидеть реально задокументированные факты, в чем различие софта( вопрос тем,кто реально работал или работает с ЕНДС и Виалоном) плюсы и минусы
Да но кроме некоторых фактов приведенными в пользу того, что ЕНДС косячники,ничего нету, хотелось бы увидеть реально задокументированные факты, в чем различие софта( вопрос тем,кто реально работал или работает с ЕНДС и Виалоном) плюсы и минусы
Что касается софта, то зайдите на их сайт. В демо режиме оцените разницу.
Что касается хороших отзывов о ЕНДС, то наверно вы не на том форуме их ищете!
kohinor wrote:Да но кроме некоторых фактов приведенными в пользу того, что ЕНДС косячники,ничего нету, хотелось бы увидеть реально задокументированные факты, в чем различие софта( вопрос тем,кто реально работал или работает с ЕНДС и Виалоном) плюсы и минусы
Что касается софта, то зайдите на их сайт. В демо режиме оцените разницу.
Что касается хороших отзывов о ЕНДС, то наверно вы не на том форуме их ищете!
Ну в таком случаи нехорошие, какие есть,подойдет все!!!
Так ребята,закончили проводить тестирование ЕНДС(Navigator 307),РНТ(AT65i) и Wialon(Teltonika FM2200), как систем, так и оборудования, если кому то интересно могу опубликовать результаты, но сначала хотелось бы устроить небольшую интрижку, как Вы думаете Уважаемые коллеги,кто же победил в этом тестировании???
Дружбы между данными ребятами не было и думаю не будет. Все распределилось конкретно 1,2,3 место.
Думаем!!! Гадаем!!!
Вы огласите ,как Вы их сравнивали. По каким параметрам.
kohinor, РНТ - 2-ой, ЕНДС - 3-ий. ![]()
имхо...
1 игрок вышел из соревнований по первому кругу за несоответствие)
2 игрок оказался чуть сильнее и продержался еще раунд, но до конечной точки не добрался...
3 игрок пройдя все испытания, удивился что это все))))
Ближе всех пока SHAL, испытывали по пробегу,больше никаких критериев,сейчас испытываем на время работы зажигания,в принципе ситуация не изменилась...
можно ли подключить блоки этих систем к мониторингу Wialon?
Чем закончилось то? Или еще не закончилось?
Результаты в студию
Друзья, у кого есть инструкция по настройке этого чудо-терминала? Поделитесь, пожалуйста.
И вопрос №2. Кто переводил автосканы MicroLine на Wialon. Поделитесь как им ip и порт поменять.
тоже интересует этот вопрос .. есть может кто на форуме кто владеет данной информацией ?
KGK Global уже поддержаны и работают. Подключать как описано тут: http://gurtam.com/ru/gps_tracking/gps_h … kgk_global
На счёт ЕНДС - пока не поддержаны, всё упирается в отсутствие коммуникационного протокола.
KGK Global уже поддержаны и работают. Подключать как описано тут: http://gurtam.com/ru/gps_tracking/gps_h … kgk_global
На счёт ЕНДС - пока не поддержаны, всё упирается в отсутствие коммуникационного протокола.
вопрос не в том как настроить Виалон .. вопрос в том как ПЕРЕ настроить ОБОРУДОВАНИЕ на любой другой ИП адрес и ПОРТ !
Поделитесь у кого есть конфигуратор для УТП
по-моему он конфигурируется через ПО Навигатор-С
Спасибо хотелось по подробней узнать
vadim wrote:Поделитесь у кого есть конфигуратор для УТП
по-моему он конфигурируется через ПО Навигатор-С
Спасибо хотелось по подробней узнать
А куда вы его хотите подключать? У вас есть серверное ПО?
Вот мануал к серверу, правда староватый уже, там есть раздел про конфигурирование.
Keen, в настоящий момент времени - нет.
Кто знает, изменилась ли в настоящие время ситуация?
Да, приборы хорошие, были бы еще с виалоном - было бы супер..
Не торопите события, вскоре все будет работать.
Не торопите события, вскоре все будет работать.
Очень-очень ждем...
Доброго дня!
Подскажите, возможно ли на финансовой основе решить проблему с интеграцией?
Кто-нибудь сталкивался с трекером УТП-М-01-8.004?????
Если да, то подскажите где можно взять к нему описалово????
сюда, пожалуйста УТП-М от Навигатор технолоджи
Кто-нибудь сталкивался с трекером УТП-М-01-8.004?????
Если да, то подскажите где можно взять к нему описалово и ПО для конфигурировния????
Сталкивались, есть такие.
Официально ни где, если только дилер в виде ЕДНС-Мурманск вам не поможет их настроить.
Только зачем он вам, данные терминалы официально работают только в системе "Навигатор" по закрытому протоколу, на виалон они работают только в тестовом режиме и не совсем корректно..
Сталкивались, есть такие.
Официально ни где, если только дилер в виде ЕДНС-Мурманск вам не поможет их настроить.Только зачем он вам, данные терминалы официально работают только в системе "Навигатор" по закрытому протоколу, на виалон они работают только в тестовом режиме и не совсем корректно..
Пообщавшись с тех поддержкой WIALON они готовы мне помочь в решении реализации работы этих терминалов на системе мониторинга.
А может быть у вас остались мануалы и конфигураторы??????
Вау! Тех поддержка готова? Готов пару 8ок на строить тоже для интеграции)))
Вау! Тех поддержка готова? Готов пару 8ок на строить тоже для интеграции)))
+1
aNbY wrote:Сталкивались, есть такие.
Официально ни где, если только дилер в виде ЕДНС-Мурманск вам не поможет их настроить.Только зачем он вам, данные терминалы официально работают только в системе "Навигатор" по закрытому протоколу, на виалон они работают только в тестовом режиме и не совсем корректно..
Пообщавшись с тех поддержкой WIALON они готовы мне помочь в решении реализации работы этих терминалов на системе мониторинга.
А может быть у вас остались мануалы и конфигураторы??????
А еще и описание протокола) ждем неделю... мне тут бабка в лесу сказала что еще чуть-чуть)
а еще описание надо понять )) надеюсь всё будет окей, а то без основных функций вообще смысла нет ![]()
Для интеграции оборудования нам обязательно нужен протокол обмена данными устройства с сервером. Если кто-нибудь предоставит - поддержим.
какие нибудь есть сдвиги по данному вопросу?
пока молчат
мне быб для нашего Газпрома надоть .....
Пока все тихо.
на хостинге в списке оборудования появился UTP-M-x1 я так понимаю это то что надо. остался вопрос с конфигуратором и описанием. есть у когонить???
на хостинге в списке оборудования появился UTP-M-x1 я так понимаю это то что надо. остался вопрос с конфигуратором и описанием. есть у когонить???
ответил в ЛС
tmbnavi wrote:на хостинге в списке оборудования появился UTP-M-x1 я так понимаю это то что надо. остался вопрос с конфигуратором и описанием. есть у когонить???
ответил в ЛС
Отпришитесь, пожалуйста, ещё тут. Такой тип устройств уже есть, но поддержан пока в тестовом режиме. А дополнительная информация не помешает.
tmbnavi wrote:на хостинге в списке оборудования появился UTP-M-x1 я так понимаю это то что надо. остался вопрос с конфигуратором и описанием. есть у когонить???
ответил в ЛС
Можно мне тоже конфигуратор, и мануал если есть?
Напишите пож-та кто реально подключил UTP плиз , есть конфигуратор но законектить как то не удается.
Напишите пож-та кто реально подключил UTP плиз , есть конфигуратор но законектить как то не удается.
я подключил все работает
по вопросам моно через личку
Дайте доступ посмотреть
Geolead wrote:Напишите пож-та кто реально подключил UTP плиз , есть конфигуратор но законектить как то не удается.
я подключил все работает
по вопросам моно через личку
У кого есть конфигуратор и/или мануал, выложите пожалуйста или скиньте на почту. support@dskazan.ru
tmbnavi wrote:на хостинге в списке оборудования появился UTP-M-x1 я так понимаю это то что надо. остался вопрос с конфигуратором и описанием. есть у когонить???
ответил в ЛС
Если не сложно, можно мне тоже конфигуратор и описание?
Здравствуйте коллеги!
Хочу открыть данную тему, т.к. появился вопрос о настройке оборудования, которое досталось от нового клиента. Думаю такая ситуация возникала и будет возникать, не только у меня, но и Вас тоже. Поэтому предлагаю обмениваться соответствующими имеющимися документами.
Открываю тему следующим вопросом: "Имеется оборудование УТП-М-X1-8.005 (ЕНДС). Помогите с документами по настройке, в частности интересуют управляющие SMS-команды."
zanix
Есть ветка про треккеры там и есть все ответы
http://forum.gurtam.com/viewtopic.php?id=1203
Мне тоже, по возможности конфигуратор и манула. Заранее благодарен.
В Глобале говорят что подвязать к Виалону невозможно, но на нем висит почти 100 приборов, кто подвязывал, скажите, пожалуйста как это сделали?
Что-то не могу найти это оборудование в списке
http://gurtam.com/ru/gps_tracking/gps_h … /auto.html
Хотя, в списке Wialon присутствует.
Направьте слепого ![]()
Что-то не могу найти это оборудование в списке
http://gurtam.com/ru/gps_tracking/gps_h … /auto.html
Хотя, в списке Wialon присутствует.
Направьте слепого
Данное оборудование официально не поддержано, потому его и нет в списке.
yurius wrote:Что-то не могу найти это оборудование в списке
http://gurtam.com/ru/gps_tracking/gps_h … /auto.html
Хотя, в списке Wialon присутствует.
Направьте слепогоДанное оборудование официально не поддержано, потому его и нет в списке.
UTP-M-x1 тип устройства.
Порт 20448
Мне тоже, по возможности конфигуратор и манула. Заранее благодарен.
+1
kushnirenko@bk.ru
Нам подвязывали. Говорили что можно. Необходимое время блоки отработали.
stink, Спасибо!
А кто подвязывал? Просто связался с их компанией, они сказали что нельзя это сделать.
Напишите пож-та кто реально подключил UTP плиз , есть конфигуратор но законектить как то не удается.
Сам столкнулся с такой проблемой. Спасибо stink. Особенность настройки заключается в правильном указании ID, используется не последние 15 цифр sim-карты, а полный.
В результате тестирования возник одни вопрос. Трекер имеет много больших срезок углов, это особенность данного оборудования или это из-за того, что он в стадии испытаний и сопутствующих не доделок протокола?
В результате тестирования возник одни вопрос. Трекер имеет много больших срезок углов, это особенность данного оборудования или это из-за того, что он в стадии испытаний и сопутствующих не доделок протокола?
А сам прибор стабильно работает не отваливается
Можно фотку прибора?
И конфиг который вы для него подготовили?
zanix wrote:В результате тестирования возник одни вопрос. Трекер имеет много больших срезок углов, это особенность данного оборудования или это из-за того, что он в стадии испытаний и сопутствующих не доделок протокола?
А сам прибор стабильно работает не отваливается
Можно фотку прибора?
И конфиг который вы для него подготовили?
У него ощущается некое "засыпание" в gps-модуле после стоянки да и детальность трека оставляет желать лучшего.
Фотка прибора, скрин трека и конфиг прикреплен.
stink wrote:zanix wrote:В результате тестирования возник одни вопрос. Трекер имеет много больших срезок углов, это особенность данного оборудования или это из-за того, что он в стадии испытаний и сопутствующих не доделок протокола?
А сам прибор стабильно работает не отваливается
Можно фотку прибора?
И конфиг который вы для него подготовили?У него ощущается некое "засыпание" в gps-модуле после стоянки да и детальность трека оставляет желать лучшего.
Фотка прибора, скрин трека и конфиг прикреплен.
Собственно у меня прибор выглядит немного по другому.
трек по привязкам к дорогам ставили???
и у прибора в конфигах есть спящий режим посмотрите там
От "спящего режима" более-менее избавились, но также и остались плохо прорисованные треки. Такое впечатление, что не все события приходят.
P.S. забыл добавить, судя по версии прошивки 58-506A-8005 - устройство версии 8.005. Возможно поэтому конфигурация так плохо проходит?
Пришел к мысли, что конфигуратор стоит искать по свежее, т.к. не поддерживает то оборудование, что есть у меня. Конфигуратор надо не раньше 06.2011 г.
Если не затруднит, отправьте программатор и мануал на orlik_ad@mail.ru.
Заранее благодарен, Сергей.
И мне если не сложно.
программатор и мануал hoopver@gmail.com
Буду премного благодарен!
Если не затруднит, то и мне огромная просьба выслать мануал и программатор expintech@mail.ru. Заранее спасибо
большая просьба аналогично прислать мануал и программатор на почту barra-cuda@yandex.ru заранее благодарен
а как разобраться с показаниями скорости? у меня объект стоя на месте показывает скорость не менее 32 км/ч, а то и 500-800 км/ч
и давно они на виалоне появились?))если работает то скиньте порт с айпишником, на который можно закинуть
и давно они на виалоне появились?))если работает то скиньте порт с айпишником, на который можно закинуть
Было уже, читайте внимательно тему.
UTP-M-x1 тип устройства, ip 193.193.165.165 порт 20448
подскажите по показаниям скорости, это только у меня показывает не реальную скорость или у всех так???
У нас также показывает либо скорость 0 км\ч, либо не реальные скорости типа 325, 780 км\ч. Я осмелюсь предположить, что это из-за экспериментального состояния данного протокола.
Разве проблема только в скорости?
Лично у меня помимо проблем скорости еще проблемы с высотой, напряжением акб и показаниями датчиков.
эти проблемы конечно тоже наблюдаются, но без них можно жить. А вот с такой скоростью и постоянным состоянием "в движении" клиентам будет трудно смириться, получает тупо точка на карте.
Для того, чтобы убрать просто точки на карте во время движения, мы сделали временный "костыль", установив в детекторе движения каждого объекта минимальную скорость 0 км\ч, вместо 1 км\ч (по умолчанию). После этого отчеты стали показывать расстояние и трек соединен.
Вышлите и мне, все что есть, мануалы, конфигураторы, списки смс комманд, буду очень благодарен
Вот мыло: y.samsonenko@lookout.com.ua
Коллеги, хочу всех обрадовать новостью, что мы нашли взаимопонимание с ГК Навигатор, и в ближайшее время будет готово комплексное решение, позволяющее использовать их терминалы в Wialon Hosting.
До тех пор по вопросам интеграции можно связываться с Алексеем Хохловым из ГК Навигатор по адресу aax_собачка_ntcnvg.ru
Aliaksandr Kuushynau
аминь! т.е. ну наконец то!
Коллеги, может кто отправить конфигуратор и руководство на мыло denisfrantsev@gmail.com очень срочно надо!!!!
Написал письмо с просьбой помочь Алексею Хохлову , в ответ получил следующие:
"Не могли бы Вы чуть подробнее расшифровать Ваш запрос.
Что вы за организация, сколько терминалов и где они сейчас установлены.
Подключение в Виалону на сегодняшний день реализовано следующим образом:
1. Наши клиенты (владельцы наших терминалов) подключют их на Федеральный Информационный Центр (ФИЦ-ЕНДС), откуда настроена трансляция на Виалон.
2. Настройки можно получить как у нас, так и через ближайшего к Вам рег. представителя ЕНДС."
Как то так получается (
Denisf1
Сам жду и присоединяюсь к Вашей просьбе
тоже было бы не плохо получить..... at@wialon-nn.ru
помогите тоже конфигуратором и руководством nbushkov@gpskurs.ru
помогите тоже конфигуратором и руководством nbushkov@gpskurs.ru
Отправил, посмотри там два письма должно быть на почте.
Bear_mur
Если не затруднит Вас продублировать мне письмо с руководством и конфигуратором. Заранее спасибо
Bear_mur
Если не затруднит Вас продублировать мне письмо с руководством и конфигуратором. Заранее спасибо
Адрес?
Bear_mur
Пожалуйста, на мой адрес тоже blackjet2003(гаф)mail.ru
Спасибо.
Присоединяюсь к вопросу.
У нас появилось несколько устройств ЕНДС.
Возможно. Вот здесь УТП-М от Навигатор технолоджи
Коллеги , кто может помочь с настройкой данного абон терминала?
А именно как в конфигураторе вписать ip и порт.
Всем спасибо разобрался.
Осталось одна проблема со скоростью может кто решил ?
Повторюсь ещё раз, уже было упоминание о скорости... пока протокол находится в разработке, думаю поэтому и скорость не корректна.
можно мне тоже мануал и конфигуратор на info@stavtrack.ru
Уважаемые коллеги, Компания Gurtam, Группа компаний "Навигатор" и ЗАО "ЕНДС" официально объявляют об успешной интеграции приборов УТП с сервисом Wialon. На сегодняшний день прошли испытания все основные приборы и эта работа продолжается. По согасованию с руководством Gurtam схема работы с нашими приборами будет реализована следующим образом:
1. Все объекты будут заводиться на хостинг на сервер ЕНДС-ФИЦ, с последующей трансляцией поступающих данных на Wialon;
2. Договор хостинга/мониторинга/охраны, также будет заключаться с ООО "ЕНДС-ФИЦ", г. Орёл;
3. Цены по каждому контракту могут быть согласованы отдельно, в зависимости от количества подключаемых объектов, но уже сейчас очевидно, что цена хостинга наших приборов без учёта трафика будет составлять сумму порядка 150 руб./мес./объекта;
4. Все подключения наших приборов к Wialon, которые были реализованы иным способом, будут признаваться незаконными и подлежат отключению. Не говоря уже о том, что практически все эти подключения не дают корректной работы и нами не технически поддерживаются (и даже наоборот). Компании уличённые в попытке взлома протокола и нарушении наших авторских прав будут преследоваться по закону;
5. По всем вопросам подключения объектов необходимо обращаться письменно на мой адрес: aax@ntcnvg.ru.
С уважением,
Хохлов Алексей.
Директор по стратегическому развитию
ГК "Навигатор"
www.nvg-group.ru
e-mail: aax@ntcnvg.ru
тел. (4862) 49-53-53, доб. 109.
Navigator Group
Ну на фига нам эти приборы на таких не конкурентных условиях?
akkros, это те официальные условия, которые уже обсуждены с некоторыми партнёрами и вполне подходят им, особенно учитывая, какие широкие рыночные перспективы открываются благодаря этой интеграции.
Anna Glonassova
Я извиняюсь я в первую очередь говорил про себя.
Мне сейчас проще эти проблемы решать заменой приборов на нормальные и по цене на много дешевле.
Тем более мой контингент придется оснащать или переоснащать приборами "тахограф+ГЛОНАСС"
Anna Glonassova
Я извиняюсь я в первую очередь говорил про себя.
Мне сейчас проще эти проблемы решать заменой приборов на нормальные и по цене на много дешевле.
Тем более мой контингент придется оснащать или переоснащать приборами "тахограф+ГЛОНАСС"
Полностью поддерживаю, никаких тут рыночных перспектив нет, проще снять это оборудование и заменить другим.
Это точно
akkros wrote:Anna Glonassova
Я извиняюсь я в первую очередь говорил про себя.
Мне сейчас проще эти проблемы решать заменой приборов на нормальные и по цене на много дешевле.
Тем более мой контингент придется оснащать или переоснащать приборами "тахограф+ГЛОНАСС"Полностью поддерживаю, никаких тут рыночных перспектив нет, проще снять это оборудование и заменить другим.
на странице оборудования есть Примечание: Подключение данных терминалов осуществляется только через сервер ЕНДС-ФИЦ, с последующей трансляцией поступающих данных на Wialon.
оно актуально?
на странице оборудования есть Примечание: Подключение данных терминалов осуществляется только через сервер ЕНДС-ФИЦ, с последующей трансляцией поступающих данных на Wialon.
оно актуально?
Да, всё верно. Подробности подключения можно узнать у Алексея Хохлова. Контакты есть в теме выше.
Всем доброго дня! Приборы УТП ЗАО «ЕНДС» прошли интеграцию с Wialon и представлены на нашем сайте в списке оборудования для спутникового мониторинга транспорта
2akkros
Уважаемый Алексей!
Ваш текст "заменой приборов на нормальные", можно понимать так, что наши приборы "ненормальные".
Вам не кажется, что здесь Вы как-то не вполне корректны.
Я не собираюсь заниматься здесь пиаром, но в интернете можно посмотреть и рейтинги и независимые отзывы пользователей различного оборудования.
И это ваше мнение, как минимум, необоснованное.
А если Вам данные условия кажутся не конкурентными, то Вас никто не ограничивает поступать таким образом, как Вы это и описали.
С уважением,
Хохлов Алексей.
P.S. Несмотря на то, что хостинг наших приборов получается несколько дороже, чем прямое предложение от Gurtam по др. оборудованию у меня за 2 дня уже более 20 компаний прорабатывают для себя вопрос по подключению. Т.е. не для всех эти условия кажутся "не конкурентными", учитывая наше с Вами понимание цены услуги на клиенте.
Просьба скинуть мануал и конфигуратор на netskald@yahoo.com
Присоединяюсь к недовольным политикой ЕНДС. Если не удасться заставить приборы работать корректно, будем менять на свои
Navigator Group
Я ничего против не имею против Ваших приборов. Я в принципе против приборов с закрытыми протоколами.
Моё мнение разработчик закрытием протокола прячет свои огрехи. Мотивируя это интеллектуальной собственностью.
А на самом деле преследует ещё одну цель: привязать потребителя к себе.
Когда нормальные производители просто делают хорошие приборы и никого к себе не привязывают.
Поэтому я не связываюсь ни когда с производителями с закрытым протоколом.
Navigator Group, да Вы нашу тему прочитайте - те же лица, те же претензии )))
Причем про Вас еще большая чушь написана, я про: "Моё мнение разработчик закрытием протокола прячет свои огрехи."
Это уже совсем абсурд.
Надо весь подобный бред клиентам показывать - чтоб понимали, с кем связываются )))
P.S.: О ! У Вас тоже рейтинг отрицательный )))))))
P.S.2: На следующем НАВИТОРИНГ-е надо сделать доклад на тему "Девиантное поведение дилеров ПО с подключением терминалов различных производителей. Пример Wialon."
TK-SK
От куда столько истерии? Правда глаза колит?
Какая истерия ? ))) Я в цирке лет 15 не был - так тут оказывается все гораздо интереснее. Петросян нервно курит в стороне. )))
Чего такого затаенного в нашем протоколе ? У ГУРТАМ и еще у десятков производителей софта - он есть. Какие нафиг огрехи прикрыты ? Таки не смешите тапочки форумчан...
А то, что мы не раздаем протокол направо и налево, т.к. в стране куча пионэров из института пишет свои корявые поделки, которые позорят чужие терминалы, т.к. клиент не разбирается, почему у него все плохо работает - так это не преступление )))
У меня за неделю до 5 запросов на протокол. Какого позорища я только не навидался - сайты с орфографическими ошибками, сшитые на живую нитку и все "крупнейшие в России, ведущее ПО и т.п." - вот где камеди клаб...
Добавлено спустя 2 минуты 24 секунды:
akkros, чтоб Вам уже окончательно опозориться - спросите тех, на чьем софте работаете, а именно - ГУРТАМ.
Какие же огрехи прикрыты в закрытом протоколе АвтоГРАФ ?
А мы подождем тут их официальный ответ.
Просьба скинуть мануал и конфигуратор на netskald@yahoo.com
Присоединяюсь к недовольным политикой ЕНДС. Если не удасться заставить приборы работать корректно, будем менять на свои
Уважаемый(ая) коллега из г. Пензы!
Мануал и конфигуратор на почту мы не скидываем. Да это и невозможно по ряду технических причин.
Из Вашего поста я понял, что Вы недовольны нашей политикой. Очевидно, имеется ввиду финансовая политика. Или политика по нераскрытию протокола.
Но по этому вопросу уже достаточно было в разное время сказано и написано.
Операторы Большой Тройки не распространяют свои протоколы. По крайней мере, я делаю такой вывод по той причине, что не вижу в списке автомобильных контроллеров оборудования двух других компаний: М2М Телематика и РНТ.
Причины тоже можно пообсуждать, но уже в другой ветке, здесь это будет offtop.
И далее Вы пишите: "Если не удасться заставить приборы работать корректно..." Вся штука в том, что наши приборы работают корректно в том случае, когда с ними обращаются корректно. Чтобы добиться этой корректности, достаточно обратиться к нам и мы предаставим всю необходимую информацию и техподдержку. Но только после ряда формальных процедур. Первая процедура - нормальное знакомство.
Вот мой skype: alexey_1313
С уважением,
Хохлов Алексей.
TK-SK
Я не собираюсь с Вами вступать в полемику. Как я и писал, это моё личное мнение.
Которое с формировалось за годы работы в этом бизнесе.
TK-SK
Я не собираюсь с Вами вступать в полемику. Как я и писал, это моё личное мнение.
Которое с формировалось за годы работы в этом бизнесе.
На чем основано-то ? Ну там, какие-то причины должны быть - смутная тревога, сны или еще что-то.
ГУРТАМ-то спросите - а то получается, что у Вас и им доверия нет... они ж годы назад нас проинтегрировали.
P.S.: Есть еще одна странность: почему-то у тех, кто выпускает терминалы без софта, да с открыто выложенным протоколом, в этом самом протоколе как раз и полно ошибок - о чем на этом сайте не устают писать форумчане годами... А нам здесь псевдопретензии только по паролям и прочим организационным моментам высказываются... Правда забавно ?
Уважаемый Алексей!
Navigator Group
Я ничего против не имею против Ваших приборов.
Спасибо.
Я в принципе против приборов с закрытыми протоколами.
Моё мнение разработчик закрытием протокола прячет свои огрехи. Мотивируя это интеллектуальной собственностью.
А на самом деле преследует ещё одну цель: привязать потребителя к себе.
Когда нормальные производители просто делают хорошие приборы и никого к себе не привязывают.
Поэтому я не связываюсь ни когда с производителями с закрытым протоколом.
Тут я даже не знаю, что Вам возразить. Вы, наверное, со своей точки зрения правы. И клиентов привязываем и интеллектуальной собственностью всё прикрываем и огрехи какие-то наверняка скрываем.
Мы эту позицию много раз уже комментировали начиная с 1998 г. Но видимо надо сказать ещё пару слов.
Почему игроки Большой Тройки упорно не раскрывают свои рабочие протоколы? Может ли это быть тупое упрямство или за этим кроется что-то ещё? Ответ на поверхности.
Кстати, в списке атомобильных контроллеров я не увидел ни М2М Телематики ни РНТ. А это отнюдь не глупые ребята. Задайтесь вопросом - почему? Наверное им, как и нам в настоящий момент времени почему-то ВЫГОДНО вести такую политику. Изменится ситуация - изменится и политика. Да, не все с этим счастливы. Увы! Но бизнес и не ставит задачу всех сделать счастливыми, это удел социальных проектов.
Кстати мы первые из трёх, кто пошёл на этот шаг и реализовал интеграционное решение с Виалоном. И не буду скрывать, его нам подсказал лично Алексей Щурко, за что ему ещё раз отдельное спасибо. Возможно наши коллеги последуют этому примеру.
Кстати, прибор с открытым протоколом у нас есть. Сейчас в стадии отладки. Возможно в след. году выпустим на рынок. Подумаем, где и как это лучше сделать. Но это будет иной протокол, не наш рабочий. С последним дело обстоит с точностью до наоборот: совершенствуем, модернизируем, переходим на шифрование. Какая уж тут открытость?
И замечу, наше оборудование берут не из-за протокола. Основной драйвер продаж в другом. Список партнёров и топовых клиентов можно посмотреть на нашем сайте.
С уважением,
Хохлов Алексей.
Уважаемый Константин!
Navigator Group.... "Моё мнение разработчик закрытием протокола прячет свои огрехи."
Это уже совсем абсурд.
Это мы так с Вами считаем, а у людей другое мнение, альтернативное. Они раздосадованы, что не всё в этой жизни можно получить нахаляву. Надо отнестись с пониманием))
Я считаю, что Виалон, как Событие (с большой буквы) - это очень серьёзное и революционное действие. Благодаря ему на рынке появилось множество игроков с минимальными затратами на "входной билетик". Не то, что 15-20 лет назад. "Мастодонты реально поёжились". Теперь абсолютно не надо 10 лет инвестировать в разработку, инжиниринг, ПО, картографию. Содержать дорогостоящие RnD, тратить миллионы долларов на производство, отлаживать качество.
Всё в одном месте и недорого!
Теперь так: купил компьютер aka server, сколотил команду из 10 человек, соображающих в IT вопросах и умеющих подключить чужой (да любой, чего там! все они одинаковые!) трекер. И вперёд! 300 руб. - цена услуги и мы порвём рынок. А можно и 200. А можно и с трафиком. Отбиваться ведь ненужно! Зато деньги здесь и сейчас. И давайте ещё постучим кулаком по столу: Как это так?! Нам не все протоколы открыты! А мы бы ещё хотели поюзать и вон тот приборчик. Говорят он в чём-то неплох..."
Увы и с этим жизненным подходом тоже приходится мириться, это уже реальность.
Кончиться эта история правда может плохо - скатимся к однотипным дешёым китайским трекерам. Потеряем собственные уникальные производства и разработки внутри страны. Они просто не выживут под натиском этой волны. Себестоимость, что прибора, что услуги априори выше, как не крути. Но остановить этот процесс невозможно, это жизнь. Придётся как-то с этим жить.
P.S.: О ! У Вас тоже рейтинг отрицательный )))))))
Я бесконечно этим расстроен. Уязвлён! Пойду сейчас и напьюсь с горя))
Кстати мы первые из трёх, кто пошёл на этот шаг и реализовал интеграционное решение с Виалоном.
Ну тут я Вам скажу пальма первенства Вам не принадлежит. Я немногим этак месяцев на 6 ранее Вас подключаю приборы АТ-65 (РНТ) к Виалону.
Navigator Group
Navigator Group wrote:Кстати мы первые из трёх, кто пошёл на этот шаг и реализовал интеграционное решение с Виалоном.
Ну тут я Вам скажу пальма первенства Вам не принадлежит. Я немногим этак месяцев на 6 ранее Вас подключаю приборы АТ-65 (РНТ) к Виалону.
А РНТ вам на это дал офциальное разрешение? Иван в курсе?
РНТ в курсе. Если бы не моё с ними лицензионное соглашение они бы меня давно "съели".
РНТ в курсе. Если бы не моё с ними лицензионное соглашение они бы меня давно "съели".
Сомнительно.
Здесь вас нет (http://sochi.autotracker.ru/company/dealers/krasnodar/). Да и здесь (http://www.navi-track.ru/about.html) нет ни слова, что вы имеете какое-то отношение к вышеупомянутой компании.
Здесь ничего нет про оборудование РНТ (http://www.navi-track.ru/oborud.html) и про то, что Вы с ним работаете.
Здесь (http://gurtam.com/ru/gps_tracking/gps_h … /auto.html) тоже нет ни слова "Автотрекер" ни слова "РНТ".
Наверное какой-то очень секретный проект, да?
Navigator Group
Зачем же, я три года назад официально купил у РНТ сервер и линейку трекеров от GPS до ГЛОНАСС. При покупке помимо договора купли-продажи был подписан лицензионный договор. В котором в частности говорилось, что я имею право использовать софт и информацию полученную от владения этим софтом как мне заблагорассудится. Единственно, чего я не имею право делать разглашать информацию полученную в следствии обладания этим софтом. И эту информацию я и не разглашаю. А обработать данные и конвертировать их в Wialon IPS мне никто не может запретить.
Числиться там на всяких сайтах РНТ мне не нужно, я не собираюсь продавать это оборудование. Достаточно и того, что кому это нужно и так об этом знают.
На сайте navi-track.ru я считаю достаточно и надписи о подключении оборудования РНТ к Виалону. Для тех кому это нужно. Зачем мне выкладывать описание и другую техническую инфу? Повторюсь ведь я не продаю оборудование РНТ.
У Гуртама этой информации нет потому, что Они не захотели принимать данные через ретранслятор. Но с Вами они пошли на это. Им виднее.
Повторюсь я предоставляю просто сервис тем кому по каким то причинам не нравится ПО РНТ или ещё что то.
И дальше клиенты сами выбирают либо они используют ПО Гуртама, либо своё ПО интегрировав в него протокол Wialon IPS. Клиенты выбирают сами с чем им работать. Ни какой "иглы". А также в ретрансляторе реализована возможность конвертации данных из Wialona IPS в протокол АТ-65. Сервер "автотрекера" эти данные принимает как своих трекеров. Но пока эта функция не востребована.
Особо повеселило по аналогии с сотовиками наименование себя Большой тройкой.))
Еще вдохновляет потряхивание седыми мудями со словами "а вот 15-20 лет назад"... А чего было 15-20 лет назад в мониторинге?
А вот это что поддержано http://gurtam.com/ru/gps_tracking/gps_h … m_cyberglx
Это не из Большой тройки?
keeper
Я и забыл про "куберы", так что пальма переходит к Гуртам и М2М.
P.S.: О ! У Вас тоже рейтинг отрицательный )))))))Я бесконечно этим расстроен. Уязвлён! Пойду сейчас и напьюсь с горя))
Это отделение пацаков от чатлан. Они в Тентуре, мы - в Антитентуре.
Ни какой "иглы".
Ну тогда либо пишите слово "никакой" слитно, либо пишите всё раздельно "ни как ой" (так забавнее).
В чем разница-то ? У нас какая игла ? Покупайте терминалы АвтоГРАФ и подключайтесь хоть к ПО АвтоГРАФ, хоть к Wialon, хоть еще к трем десяткам видов ПО...
И как же Вы со своим "Я в принципе против приборов с закрытыми протоколами." - не против того, что РНТ Вам передали протокол, а другим нет ?
Я Вам скажу: Вы против "лично мне не дали то-то и то-то" и не более того. А получив что-то, Вы зажимаете это за пазухой и недоумеваете - ну а я то фигли должен делиться ? Лицензии там и прочие соглашения )))
Особо повеселило по аналогии с сотовиками наименование себя Большой тройкой.))
Еще вдохновляет потряхивание седыми мудями со словами "а вот 15-20 лет назад"... А чего было 15-20 лет назад в мониторинге?
А вот это что поддержано http://gurtam.com/ru/gps_tracking/gps_h … m_cyberglx
Это не из Большой тройки?
2keeper
Уважаемый keeper,
Термин "Большая телематическая/навигационная тройка" введён не мною. Обратитесь к новейшей истории.
"А чего было" 15-20 лет назад, я вам скажу: пионеры этой области, к которым относится и до сих пор существующая в нашей Группе Комапний ЗАО "Навигатор Технолоджи" создавали тот самый рынок с которого вы сейчас и кормитесь. И тогда же, кстати, делало первые продукты с ГЛОНАСС.
Так что ваше неуважение и ваш хамский тон не делают вам чести и говорят лишь о банальной глупости и зависти. А это всё, увы, плохие чувства.
Я думаю, вам стоит извиниться и отредактировать свой пост.
Относительно привязки оборудования М2М и РНТ.
Не хотелось бы в этой ветке обсуждать данную проблему, но я обязательно поинтересуюсь и у Нечаева и у Смятских об обстоятельствах, при которых таинственным образом их протоколы появились на Виалоне. Учитывая то, что я тут почитал - им это будет весьма интересно.))
Про М2М, может я чего и не знаю, но по поводу РНТ всё стало понятно: а) официально не работает; б) Гуртам "инициативу" Алексея Симакова, г. Армавир не поддержал.
Кстати, отказ Гуртама от ответственности под предлогом того, что "мы подключаем то, что приносят нам наши клиенты" (пост krsl, Gurtam от 24/09/2010 10:32:58 @ Cyber GLX в ветке Cyber GLX) тоже не сильно защищает эту позицию.
Полагаю что при разборе это будет выглядеть, как и в случае с нашим протоколом, банальной попыткой воровства с последующим кривым и плохо работающим результатом.
В этой связи рекомендую тому сотруднику КГБ РБ Техподдержки Гуртам, кто читает мой пост, передать эту информацию Алексею и Александру и подумать над целесообразностью поддержки незаконно полученых протоколов НЕ ИМЕЯ НА ЭТО ОФИЦИАЛЬНОГО ПИСЬМЕННОГО РАЗРЕШЕНИЯ ПРАВООБЛАДАТЕЛЯ (если это так и есть).
Теперь, Алексей Симаков, отдельно для Вас.
Дежа вю меня настигло и я вспомнил, что уже читал на Навиторинге что-то про РНТ и Виалон. И это таки действительно оказались снова Вы и снова Константин Юрьевич (http://www.navitoring.ru/forum/?PAGE_NA … mp;TID=172). Там Вам, в принципе, всё ответили. Повторяться нет смысла. Ваша позиция и вольная трактовка своих прав юридически ошибочны, говорю Вам это как юрист.
При этом я искренне разделяю Вашу боль по поводу ситуации в Краснодарском крае, мы там тоже работаем и вкусили в полной мере и интеграции и монополизма отдельно взятой властью технологии.
Но, как уже говорилось, на лоббизм не стоит отвечать воровством. Разные квалификации деяний.
Думаю на этом стоит это обсуждение в этой ветке закончить и подвести черту.
Кто хочет что-то уточнить по делу - пишите мне лично.
Если есть что-то по нашему оборудованию, что может быть полезно всем - пишите в этой ветке.
А можно не превращать форум в никчемный флейм в разных ветках? Может создать отдельную ветку для выяснения отношений интеграторов, производителей и др.участников рынка?
А можно не превращать форум в никчемный флейм...
надеюсь, что всё на этом закончилось и приношу свои извинения за невольное участие в этой очевидной и ненужной дискуссии
Navigator Group
ЗАО НТЦ "Навигатор Техннолоджи" образовано в 1999 году, что даже не 15 лет назад, так что тезис о мудрых старцах, которые считать не умеют имеет право на жизнь.
Вот статья 2012 года (Вы наверняка ее знаете) http://www.itamain.com/home/stati/6/ , в которой указано, что в прошлом году было 10 лет.
Термин "Большая навигационная тройка" в 99% случаев по поисковикам появляется в связи с ЕНДС, так что с такой же вероятностью Вы сами себе этот термин и придумали.
Дальнейшая дискуссия не по теме тут:
О закрытости протоколов некоторых производителей
Все остальные посты не касающиеся работы трекеров УТП с Wialon будут тереться.
moderator: пост перенесен в указанную ветку.
moderator: пост перенесен в указанную ветку.
Сцепились не на шутку. Нвигатор - хорошие приборы! Но когда будут работать в Виалоне, станут еще лучше!
Не увидел настроек на сервер Wialon. Где их можно почерпнуть?
"Подключение данных терминалов осуществляется только через сервер ЕНДС-ФИЦ"
То ли ссылка не рабочая, то ли я не то нажимаю, в общем не могу настроить для теста приборы УТП. в часности очень интересно попробовать УТП 3й серии.
Есть инфо о параметрах или о способах подключения?
Или, терминалы подключили, но настроек не дадим! :-)
?
Есть ли у кого-нибудь работающий результат без использования промежуточного сервера? Можете скинуть инфу на xarge@mail.ru ?
Есть ли у кого-нибудь работающий результат без использования промежуточного сервера? Можете скинуть инфу на xarge@mail.ru ?
Вряд ли будет.
Navigator Group wrote:moderator: пост перенесен в указанную ветку.
Сцепились не на шутку. Нвигатор - хорошие приборы! Но когда будут работать в Виалоне, станут еще лучше!
Не увидел настроек на сервер Wialon. Где их можно почерпнуть?
"Подключение данных терминалов осуществляется только через сервер ЕНДС-ФИЦ"
То ли ссылка не рабочая, то ли я не то нажимаю, в общем не могу настроить для теста приборы УТП. в часности очень интересно попробовать УТП 3й серии.
Есть инфо о параметрах или о способах подключения?
Или, терминалы подключили, но настроек не дадим! :-)
?
Там mailto-ссылка, ведет на aax@ntcnvg.ru, это почта Алексея Хохлова, Директора по стратегическому развитию ГК "Навигатор". Вопросы по подключению приборов можно задать ему.
Здравствуйте. Кто нибудь пробовал конфигурировать УТП-М-х1-3.300? Интересует кофигуратор и мануал по подключению к компьютеру. Есть ли возможность конфигурировать по SMS.
Добрый день. УТП - продукт г.Орел. Навигатор технолоджи работают по закрытому протоколу. Чем очень гордятся. Оборудование работает только на собственном ПО. SMS не конфигурирует терминал. Конфигуратор раньше был выложен на сайте. Рекомендую обращаться к диллеру в вашем регионе.
вобще веселая вещь эта утп)
http://blog.gurtam.com/2012/08/gurtam-g … nichestva/
И чё все с ними носятся. Не пойму. Скоро и они интегрируют открытый протокол.
Как то я не верил но лично убедился что работает железо ЕНДС и другое не достпуное оборудования для общего пользования. Вернее их протоколы.
Вот выкладываю скрины тестового подключений.
Прислали на тест железку. Очень хитрыми манипулациями сменили мне ip и порт. Пока не понял как это делается.
Но факт что заработало.
Скрины сервиса. 


И результат 
Добрый день. УТП - продукт г.Орел. Навигатор технолоджи работают по закрытому протоколу. Чем очень гордятся. Оборудование работает только на собственном ПО. SMS не конфигурирует терминал. Конфигуратор раньше был выложен на сайте. Рекомендую обращаться к диллеру в вашем регионе.
Конфигурируются по СМС:)
но опять же, через конфигуратор
Конфигуратор СМС не отправляет. Через него ПО можно удаленно менять. И зачем...
Всем привет! Подскажите пожалуйста какую программу выбрать для считывания настроек с прибора и их изменения?
навигатор.ехе
Не подскажете как с помощью него настраивать
----------------------------
подскажут в теме http://forum.gurtam.com/viewtopic.php?id=1203
закрыто
----------------------
babay
Ну прислали железку ЕНДС, ну по тестил. А дальше что?
Добрый день. Большая просьба, если кто-то имеет такую возможность отправить на эл.адрес avtotechnokontrol@gmail.com конфигуратор и мануал по данному прибору. Заранее благодарен
ATK
Я Вам отписался почтой.
Added after 9 minuts 27 seconds:
Уважаемые коллеги! Объявление для всех Партнёров Гуртам, кто интересовался работой с нашим оборудованием.
После тщательных консультаций вечером пятницы 23.11.2012, в котором приняли участие, как представители Гуртам, так и ряд позитивно настроенных Партнёров, было принято решение о возможности разбиения стоимости услуги по подключению наших терминалов (УТП X-XXX) на Wialon Hosting. Теперь вы можете оплачивать нам всего лишь 100 руб. за хостинг и трансляцию треков от наших терминалов, а стоимость вашего хостинга на Wialon оплачивать в Гуртам самостоятельно, по вашему текущему договору. Такая же стоимость услуги и при необходимости трансляции в Pro.
Navigator Group
Настройка оборудования производиться удаленно? Достаточно сообщить вам номер СИМ-карты?
Navigator Group
Настройка оборудования производиться удаленно? Достаточно сообщить вам номер СИМ-карты?
Номер SIM-ки и UID
И, по хорошему, полезно знать точное название модели, если придётся удалённо перезалить прошивку.
obServer wrote:Bear_mur
Если не затруднит Вас продублировать мне письмо с руководством и конфигуратором. Заранее спасибоАдрес?
адрес dimitriimihail@rambler.ru или info@viatec.md
Новость об интеграции есть, а в списке поддерживаемого оборудования его нет..
Onliner
Его поддерживают через промежуточный сервер, через ретранслятор.
В списке оборудования есть здесь:
UTP Navigator
Там же написано, что подключить его можно только через сервер производителя, ретранлируя данные на wialon
Коллеги, по вопросам нашего оборудования пишите мне напрямую: aax@ntcnvg.ru
Всё успешно работает. Многие уже успели оценить.
Открытый протокол для наших приборов стоит в плане работ на 2013, как вариант специально для Wialon это может быть решено по Wialon IPS, если он сможет закрыть все вопросы. А пока - только через ретранслятор.
Коллеги, по вопросам нашего оборудования пишите мне напрямую: aax@ntcnvg.ru
Предложение еще актуально?
Есть необходимость в подключении Вашего оборудования!
Может ли кто-то помочь с выводом на связь на Wialon Pro данного типа трекеров?
Может ли кто-то помочь
Я могу...))
Bear_mur wrote:obServer wrote:Bear_mur
Если не затруднит Вас продублировать мне письмо с руководством и конфигуратором. Заранее спасибоАдрес?
адрес dimitriimihail@rambler.ru или info@viatec.md
Можно и мне arhead@rambler.ru
overseer wrote:Может ли кто-то помочь
Я могу...))
Помогите, нам тоже.
andreev@trekcontrol.ru
Помогите и нам
sotnikov@gps-sar.ru
Я могу...))
У кого-нибудь работает "схема" подключения УТП через г-на Хохлова?
Обратился к нему письменно с указанием наименования организации-клиента, ответа не последовало.
Но, судя по тому что местные ЕНДСники резко "зачесались" по поводу своего старого клиента, чувствуется что письма доходят.
Не получается ли что такая "схема" работы через ФИЦ приносит не только ряд проблем с совместимостью терминалов УТП, но еще доставляет организационные трудности. Т.е. мы обращаемся к Хохлову - и дальше все зависит от того "отпустят" клиента или нет?
Или вся эта "схема" подключения УТП на Wialon работает лишь когда кто-то нашел в чей-то машине кем-то забытый УТП.
Или кто то пере купил целый парк а там УТП >.<
схема работает, сообщения приходят нормально (когда приходят), просто бывает у них без предупреждения вырубается сервер, виснет он там или нет не знаю, но за полгода такое было два раза, и еще раз вырубили перед выходными за неуплату, как потом сказали, но оплата при этом была еще за неделю до того, просто бухгалтерия не разнесла вовремя!
Коллеги, добрый день!
Кто-нибудь сталкивался с подобным устройством?
Возможно были попытки "прикрутить" к Wialon?
UTP Navigator&p=1
Добрый день. У меня встал вопрос настройки УТП-М-01. Есть у кого конфигуратор или где можно взять? Заранее спасибо!
А кто подвязывал? Просто связался с их компанией, они сказали что нельзя это сделать.
Компания кране не коммуникабельна. Ни на какие переговоры не идет.
У них очень много блоков в аренде, поэтому они очкуют опасаются, что народ соскочит разбежится. Небезосновательно, надо признать...
Всем привет)
Кто сталкивался с терминалами ЕНДС? От производителя не можем получить ответов на вопросы. Можно ли их терминалы настроить на работу с Wialon? В списке поддерживаемого оборудования они есть, но факту пока не можем по ним ничего найти(
OlegLitvinenko
Думаю тут найдете ответ: Мобильный терминал УТП-М-01-3.300
Могу ли я самостоятельно настроить прибор для работы на Wialon Hosting? С кем связаться по оплате за трансляцию Ваших терминалов на Wialon? Прошу выслать конфигуратор и мануалы для приборов GPS и ГЛОНАСС/GPS (УТП-М-31-8005) и УТП-Н-01-9.002 на почту vlad.fzco@yandex.ru
Vlad74uz
Свяжитесь с заводом не по почте, а по телефону, Вам скажут что и как и к кому обратиться. Самостоятельно вы ничего не сделаете. Читайте внимательно всю ветку.
Ребята, подскажите, плз.
Можно ли как-то с ПО определить по какому интерфейсу работает ДУТ?
Долго клацал ПО, но так и не разобрался...
Ребята, подскажите, плз.
Можно ли как-то с ПО определить по какому интерфейсу работает ДУТ?
Долго клацал ПО, но так и не разобрался...
Получилось данные направить на Wialon PRO?
Получилось данные направить на Wialon PRO?
Пока нет, только замена трекера.
Пока нет, только замена трекера.
Тогда только через 100руб.
Тогда только через 100руб.
Это Вам через 100 руб., нам местный дистрибьютер предлагает по 200 руб....
Открытый протокол для наших приборов стоит в плане работ на 2013, как вариант специально для Wialon это может быть решено по Wialon IPS, если он сможет закрыть все вопросы. А пока - только через ретранслятор.
Как дела с открытым протоколом? Какова процедура ретрансляции на Wialon, если открытый протокол еще не реализован?
Уважаемые форумчане, может у кого есть руководство по настройке УТП-М-01-3.304.0 ? Я имеею ввиду смс команды для настройки на свой сервер. vagis2000@mail.ru Заранее благодарен.
можно и мне также мануал, конфигуратор и все, что есть.
molodoi.mitya@yandex.ru
заранее спасибо
Также нуждаюсь во всем комплекте ПО и описаний на pokupka@myfly.biz
Кому надо продаю 1 шт., свой. В версии ПО показывает 58-70FFFFFFAC-8006, координаты ловит, исправен. Вместе с антеннами, кому надо пишите в личку, я думаю договоримся.
Добрый день! Если нетрудно, скиньте пожалуйста мануал конфигуратор по данному оборудованию и все что есть(у нас почти вся линейка) на amk-monitoring@mail.ru
И еще вопрос: по поводу процедуры подключения к виалону ничего не изменилось? И если изменилось, то что?
Гуртаму: Кстати почтовый адрес, который указан (хохлов а)не работает, а сам алексей, как я понял в ендс уже не числится. Вы б как то изменили данные, если уж приборы действительно официально поддержаны ![]()
По поводу введения оборудования в эксплуатацию пишите сюда ЕНДС-ДЦ [ends-dc@ends-russia.ru]
Очень оперативно, правда через ретрансляцию, но не выкидывать его же, все равно лучше чем клиенту дарить свой терминал.
Большая просьба аналогично прислать мануал и программатор на почту juliitur@mail.ru заранее благодарен
Если не сложно скиньте, пожалуйста, мануалы и софт для этого оборудования на dmitriy@dozorgps.ru
Гуртаму: Кстати почтовый адрес, который указан (хохлов а)не работает, а сам алексей, как я понял в ендс уже не числится. Вы б как то изменили данные, если уж приборы действительно официально поддержаны
Добрый день!
Алексей Хохлов действительно у нас уже не работает. По всем интересующим вопросам можете обращаться в техподдержку или ко мне.
Здравствуйте, срочно нужна прошивка, конфигуратор и все инструкции и мануалы для данного устройства(УТП-М-01-3.304). Прошу скинуть всё мне на почту resalt89@mail.ru
P.S. и если есть распиновка коннектора к пк
Просьба скинуть прошивки, мануал и конфигуратор на прибор УТПМ01-3.307 на электронку dyahon@gmail.com
Прошу скинуть софт и мануал по УТП М-01 на почту EATimoshin@1cbit.ru
Следующее.. все же интересно возможно ли завести данного зверя на Wialon hosting без ретрасляции его с собственного софта?
Тех. поддержка ЕНДС говорит что это не реализовано и нужно только через софт. И как поступить в таком случае если мы данный трекер обнаружили в транспортном средстве (ответ заменить на другой - не катит
)
ответ заменить на другой - не катит
Тогда добыть описание протокола и передать в тех. поддержку Гуртама.
Каждое сообщение, получаемое Wialon, может содержать в себе параметры, описанные в этой таблице:
Имя параметра Описание Единицы измерения
hdop HDOP (Horizontal Dilution Of Precision)
name Image Name
при ретрансляции показания с датчиков аналог\частота\цифра, передаются так же или есть проблемы?
1BIT как вы ретранслируете ? Через ЕНДС ФИЦ? там все показания передаются верно.
Сами работаем с этим оборудованием. В течении месяца закончим отладку собственного ретранслятора, сможем отправлять в виалон с нашего сервера Навигатор
отказались от данных приборов
ну а сапорт производителя радует, мне бы такое спокойствие и возможность абстрагироваться от оппонента на другом конце телефонной линии
отказались от данных приборов
ну а сапорт производителя радует, мне бы такое спокойствие и возможность абстрагироваться от оппонента на другом конце телефонной линии
Добро пожаловать в Однополярныйы мир "Навигатор Технолоджы". Они построили свой мониторинг "С Блек Джеком и ...."© БЕНДЕР
Если есть вопросы по железке - обращайтесь. Окажу чуть похуже ЗАО "ЕНДС-РОССИЯ".
Добрый день
Прошу скинуть прошивки, мануал и конфигуратор на приборы УТП-М на почту nova-info@mail.ru
присоединяюсь к просьбе, скиньте всё, что есть по этим приборам на почту shdf@navsysural.ru
Ребят, так решился вопрос с подключением данных трекеров на Виалон без всяких ретрансляторов?
Нет, только через ЕНДС ФИЦ,
либо частные ретрансляторы
Поделитесь пожалуйста конфигуратором и мануалом на УТП-М-X1-3.307. Заранее благодарен.
И мне если есть они вообще. Спасибо
Товарищи поделитесь, пожалуйста, конфигуратором и мануалом на УТП-М-X1-3.307! Буду очень признателен! На почту zuev@omsk-glonass.ru
Конфигуратор http://rusfolder.com/43255807
Документация УТП-3300 http://rusfolder.com/43255809
Не хотят они дружить... не видит конфигуратор его.... другого конфигуратора нет? да и распиновка 3.300 не соответствует 3.307....
Здравствуйте, прошу помощи -нужна прошивка, конфигуратор, инструкции и мануалы для устройств(УТП-М-01-3... УТП-М-01-8..). Прошу скинуть всё мне на почту wcwcwc2015@yandex.ru .
Добрый день!
Предлагаю обращаться напрямую к производителю с вопросами, а не обмениваться информацией которая устарела.
В случае если в техподдержке у вас возникают вопросы Вы всегда можете обратится по следующим контактам:
e-mail: rio@ntcnvg.ru
Skype: revyakin72
icq: 195641701
Друзья поделитесь, пожалуйста, конфигуратором и мануалом на УТП-М-X1-3.307! Буду очень признателен! На почту groman79@bk.ru
Друзья поделитесь, пожалуйста, конфигуратором и мануалом на УТП-М-X1-3.307! Буду очень признателен! На почту groman79@bk.ru
выслал на почту
А есть драйвера, прошивка и конфигуратор для УТП-Н-01-9.002? Скиньте на почту, пожалуйста, если имеется gooddoall@gmail.com
Подскажите где скачать, драйвера, прошивку и конфигуратор для УТП-Н-01-9.002?
По возможности, если имеется скиньте пожалуйста на почту Silentwave@yandex.ru
tmbnavi wrote:на хостинге в списке оборудования появился UTP-M-x1 я так понимаю это то что надо. остался вопрос с конфигуратором и описанием. есть у когонить???
ответил в ЛС
Сбросьте и мне тоже, пожалуйста. 330313@bk.ru
Доброго времени суток.
Кто нибудь имел дело с 3307 + частотный ДУТ (омником)
Есть мануал и конфигуратор по настройке этой железки в связке с ДУТ?
можно в ЛС или на почту help@glonassilim.ru
Заранее благодарен.
И как идут данные с ДУТ при ретрансляции на Виалон.?
Есть ли какая то погрешность в данных при ретрансляции?
Доброго времени суток.
Кто нибудь имел дело с 3307 + частотный ДУТ (омником)
Есть мануал и конфигуратор по настройке этой железки в связке с ДУТ?
можно в ЛС или на почту help@glonassilim.ru
Заранее благодарен.
И как идут данные с ДУТ при ретрансляции на Виалон.?
Есть ли какая то погрешность в данных при ретрансляции?
Работает отлично. Данные ретранслируются в протоколе WialonIPS v. 2.0 в параметре fuel1
Arhangel38rus wrote:Доброго времени суток.
Кто нибудь имел дело с 3307 + частотный ДУТ (омником)
Есть мануал и конфигуратор по настройке этой железки в связке с ДУТ?
можно в ЛС или на почту help@glonassilim.ru
Заранее благодарен.
И как идут данные с ДУТ при ретрансляции на Виалон.?
Есть ли какая то погрешность в данных при ретрансляции?Работает отлично. Данные ретранслируются в протоколе WialonIPS v. 2.0 в параметре fuel1
А есть пример конфигурации для данного прибора? под ДУТ?
Доброго времени суток, прошу помощи, нужна прошивка, конфигуратор, инструкции и мануалы для устройства
УТП-М-x1-8.005 (glonasssm67@gmail.com)
Здравствуйте, можно пожалуйста мануал и конфигуратор для УТП-М-01-8.005 на почту ? (varvar092@rambler.ru)
Здравствуйте, можно пожалуйста мануал и конфигуратор для УТП-М-21-7.100 на почту ? (kalinchin.rus@gmail.com)
День добрый, прошу помощи, нужны прошивка, конфигуратор, инструкции и мануалы для устройства
УТП-М-x1-8.005 (mch@getgps.ru)
Конфигуратор http://rusfolder.com/43255807
Документация УТП-3300 http://rusfolder.com/43255809
Подскажите как конфигурировать прибор с помощью этого конфигуратора ?
Подключить получилось, версию ПО 58-5839-8005 и спутники видит, а что дальше-то ?
Где взять конфиг ?
Если еще актуально, то на второй вкладке, "Ввод информации об оборудовании", есть поле "Файл конфигурации". Забейте туда любые символы, активируется кнопка "Изменить..", по которой можно будет попасть непосредственно в редактор настроек. Там выбираете нужный вид устройства, задаете параметры и сохраняйте файл конфигурации. После этого будет предложено записать их в прибор. Вроде бы так, если ничего не забыл.
Если еще актуально, то на второй вкладке, "Ввод информации об оборудовании", есть поле "Файл конфигурации". Забейте туда любые символы, активируется кнопка "Изменить..", по которой можно будет попасть непосредственно в редактор настроек. Там выбираете нужный вид устройства, задаете параметры и сохраняйте файл конфигурации. После этого будет предложено записать их в прибор. Вроде бы так, если ничего не забыл.
Вроде бы даже получилось
Теперь вопрос - как заводить сам прибор ? как UTP-навигатор ?
Почему-то не отбивается...
или там есть нюансы ?
или может есть готовый конфиг ?
ZxR данные на Вашем сервере Виалон должны проходить через ретранслятор Навигатор Индастриз.
Обратитесь в ЕНДС ФИЦ, вам ретранслируют данные за 3$
Почему игроки Большой Тройки упорно не раскрывают свои рабочие протоколы? Может ли это быть тупое упрямство или за этим кроется что-то ещё? Ответ на поверхности.
Время всех рассудило и расставило все "точки над "i"
Поделитесь, пожалуйста, конфигуратором и инструкцией по настройке УТП-М-21-3.310. gosu.87@mail.ru. Заранее спасибо
Куплю Б/У ИЛИ НОВЫЕ терминалы УТП ... можно ни обмен на б/у терминалы различных производителей.. фото отправлю не e-mail...
Добрый день!
По вопросам получения информации о старом оборудовании и новых моделях прошу обращать напрямую к производителю.
Контакты можете найти в профиле.
Здравствуйте. Поделитесь пожалуйста информацией по утп м-21-3.407 и УТП-М-21-3.310 нужна прошивка, конфигуратор, инструкции и мануалы для устройства serega.parshin@mail.ru
утп м-21-3.407
Это Signal S-2117, прошивки и документация - на сайте Навтелекома.
Здравствуйте! Требуется прошивка, конфигуратор, инструкции и мануал для устройства
УТП-М-x1-8.005
Прошу поделиться данной информацией
snv@sibinn.ru
Заранее спасибо!
А зачем он вам? УТП(которые именно УТП) поддерживаются только ПО Навигатор-С и его клонами. На Виалон напрямую вы его не заведете.
А зачем он вам? УТП(которые именно УТП) поддерживаются только ПО Навигатор-С и его клонами. На Виалон напрямую вы его не заведете.
Есть возможность ретрансляции данных в любое ПО по протоколам межсетевого взаимодействия (wIPS,wRTS и т.п.) 75 р за объект
Аналогично, затранслируем УТП куда угодно, за 30р/объект.
Здравствуйте! Требуется прошивка, конфигуратор, инструкции и мануал для устройства
УТП-М-x1-8.005
Прошу поделиться данной информацией
Заранее спасибо!
Прошу тоже скинуть мне на почту asm@tk-ekat.ru
Есть один терминал УТП 3.304+ ВРТ2 приставка, б/у, исправный, с антеннами. Продам/Обменяю.
Здравствуйте!
Имеем http://gurtam.com/ru/gps-hardware/auto/utp-navigator модель 8000 https://forum.gurtam.com/misc.php?actio … download=0
Договорились с поставщиками, они включили ретрансляцию, прописали порт и настроили на http://id.wialon.net/ но он не появляется в списке оборудования...
Что мы забыли сделать, подскажите пожалуйста?
На Форт-Монитор заводится и подключается, все работает.
Может быть под другим типом нужно завести или нужна другая прошивка?!
А те, кто делает ретрансляцию, видит данные от вашего блока? Если на другой системе терминал работает, значит проблема в ретранслирующем, разбирайтесь с поставщиком. Прошивка роли не играет.
P.S. По УТП есть уже отдельная тема: https://forum.gurtam.com/viewtopic.php?id=1203
krishtofor.r если не получится завести объект, напишите, пожалуйста всю информацию на hw@gurtam.com включая id юнита
А те, кто делает ретрансляцию, видит данные от вашего блока? Если на другой системе терминал работает, значит проблема в ретранслирующем, разбирайтесь с поставщиком. Прошивка роли не играет.
P.S. По УТП есть уже отдельная тема: https://forum.gurtam.com/viewtopic.php?id=1203
Это партнеры http://www.ends-russia.ru/ в Украине http://www.sattrans.com.ua/ Они сначала делали ретрансляцию на https://web.fort-monitor.ru/login.aspx?logout=true там все работает, прибор подключается, но только местоположение видно, без значений с ДУТ.
Сейчас делают ретрансляцию на id.wialon.net но он не появляется.
Что интересно, то ID регистрируется в трекере: "003990286268554" это SSE ID СИМ-карты что стоит в трекере, и мне сказали http://www.sattrans.com.ua/, что по этому номеру он регистрируется в протоколе. Я так понимаю этот ID должен появится, но не появляется.
krishtofor.r для начала уточните, на какой порт ретранслируют
А лучше сразу на писать нам на hw@gurtam.com, будем проверять на отладочном сервере
krishtofor.r для начала уточните, на какой порт ретранслируют
А лучше сразу на писать нам на hw@gurtam.com, будем проверять на отладочном сервере
Такие скопированы данные: <receiver host="193.193.165.167" port="20579". Ок, уже написали.
Добрый день.
Скиньте, пожалуйста, на почту конфигуратор, мануалы и прошивку для терминалов УТП-М-21-3.310. Буду очень благодарен
Почта itsmeefi@gmail.com
Добрый день.
Скиньте, пожалуйста, на почту конфигуратор, мануалы и прошивку для терминалов утп-М-01-8. Буду очень благодарен
Почта 969242@mail.ru
Добрый день.
Скиньте, пожалуйста, на почту конфигуратор, мануалы и прошивку для терминалов УТП-М-21-3.410.х. Буду очень благодарен
Почта oleg_itob@mail.ru
Скиньте, пожалуйста, на почту конфигуратор, мануалы и прошивку для терминалов УТП-М-21-3.307.4 Буду очень благодарен
Почта: sham@tahoperm.ru
Если не затруднит киньте пожалуйста программатор(конфигуратор) на утпм (версию правда не знаю на приборе ни чего не написано) знаю купили его года 2-3 назад.. v.a.solomonov@yandex.ru
на приборе похоже дата производства 06.2008 №014835
Помогите пожалуйста, господа!
Скиньте, пожалуйста, на почту конфигуратор, мануалы и прошивку для терминалов:
1) УТП 3.5 ГЛОНАСС (2012)
2) УТП-M-01-8.005.6
3) УТП-М-01-3.307.В
Также рассматривается вариант продажи этих приборов если кому нужны, всего порядка 20шт.
почта: XSeregaX@yandex.ru
в итоге то? можно завести напрямую на виалон?
в итоге то? можно завести напрямую на виалон?
в итоге нет ((((
Помогу с трансляцией данных на Виалон от этих прекрасных приборов.
Воспользуюсь услугой подключения блоков производства ЕНДС к Виалону, предложения в ЛС
Воспользуюсь услугой подключения блоков производства ЕНДС к Виалону, предложения в ЛС
аналогично, кидайте предложения
и скиньте плиз конфигуратор на почту mihai#mail.ru
Скиньте, пожалуйста, на почту конфигуратор, мануалы и прошивку для терминалов УТП-М-01-3.300 Буду очень благодарен
Почта: support@cntech.su
3.300
Именно 3.300 ? Я бы посоветовал похоронить стюардессу. Это очень старый прибор, который спутники может искать более 15 минут. Плюс на некоторых ревизиях ДУТ не подцепить никак.
Скиньте, пожалуйста, на почту конфигуратор, мануалы и прошивку для терминалов УТП-М-01-3.300 Буду очень благодарен
Почта: support@cntech.su
Хочу Вас огорчить. Данная модель терминала не поддерживает локальную настройку устройства.
Терминал можно, как настроить, так и перепрошить удалённо. (могу, за некоторую сумму помочь Вам с муками)
При условии наличия нормального приёмника в терминале (EB-8084) терминал ведёт себя очень даже прекрасно.
Как сказал товарищ выше - подключение датчика топлива возможно только в специальной ревизии устройства, однако, всё возможно.
скиньте пожалуйста конфигуратор для УТП-М-x1-8.005
stenbi4@gmail.com
Ребят, что-то туплю: записать параметры с помощью конфигуратора могу, а вычитать - нет. Может быть у меня конфигуратор старый? Может кто скинуть на P.andreev2008@yandex.ru? Блок УТП-М-x1-8.000 вроде. Заранее благодарю!
Конфигуратором (nvgsetup) ничего считать не получится. С сервера Навигатор-С можно считать маски событий, форматы вывода и доп. параметры. Только особого смысла в этом нет.
День добрый.
Скиньте, пожалуйста, на P.andreev2008@yandex.ru конфигуратор для терминалов УТП-М-21-3... Буду очень благодарен.
День добрый.
Скиньте, пожалуйста, на P.andreev2008@yandex.ru конфигуратор для терминалов УТП-М-21-3... Буду очень благодарен.
А на какие именно?
3.307, 3.300,3.300r - подходит восьмерочный
3.407, 3.410 - это сигналы, брать NTC_Configurator с Навтелекома
3,412 - вроде Ruptela была. Остальные хз)
P.andreev2008 wrote:День добрый.
Скиньте, пожалуйста, на P.andreev2008@yandex.ru конфигуратор для терминалов УТП-М-21-3... Буду очень благодарен.А на какие именно?
3.307, 3.300,3.300r - подходит восьмерочный
3.407, 3.410 - это сигналы, брать NTC_Configurator с Навтелекома
3,412 - вроде Ruptela была. Остальные хз)
Больше всего похож на этот: http://www.ends-russia.ru/hardware/utp-m-21-3-314
Скиньте конфигуратор на yuvs@bk.ru для:
3.407, 3.410 - это сигналы, брать NTC_Configurator с Навтелекома
3,412 - вроде Ruptela была...
P.andreev2008 wrote:День добрый.
Скиньте, пожалуйста, на P.andreev2008@yandex.ru конфигуратор для терминалов УТП-М-21-3... Буду очень благодарен.А на какие именно?
3.307, 3.300,3.300r - подходит восьмерочный
3.407, 3.410 - это сигналы, брать NTC_Configurator с Навтелекома
3,412 - вроде Ruptela была. Остальные хз)
Скиньте конфигуратор на yuvs@bk.ru для:
3.407, 3.410 - это сигналы, брать NTC_Configurator с Навтелекома
3,412 - вроде Ruptela была...
Совсем ленивые?
NTC_Configurator
http://navtelecom.ru/programmnoe-obespe … or-v-2-6-2
3.408 - это должен быть Навтелеком Smart
Ruptela, вроде должна быть ECO4 или этой линейки
https://doc.ruptela.lt/pages/viewpage.a … eId=884749
Больше всего похож на этот: http://www.ends-russia.ru/hardware/utp-m-21-3-314
С этой железкой не сталкивался, но подозрение, что это обновленный 3.307, должен конфигурироваться стандартным конфигуратором от восьмерок или из Навигатор-С.
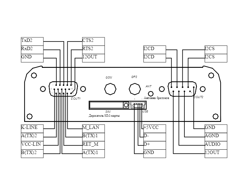
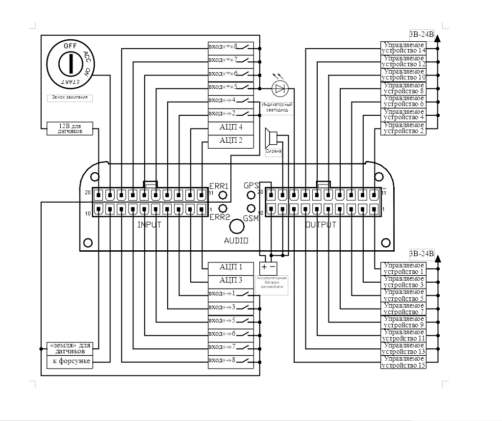
Если у кого есть описание контактов разъемов на УТП-М-01-8.103, сбросьте пожалуйста ссылкой или в лс.
yuvs wrote:Скиньте конфигуратор на yuvs@bk.ru для:
3.407, 3.410 - это сигналы, брать NTC_Configurator с Навтелекома
3,412 - вроде Ruptela была...Совсем ленивые?
NTC_Configurator
http://navtelecom.ru/programmnoe-obespe … or-v-2-6-23.408 - это должен быть Навтелеком Smart
Ruptela, вроде должна быть ECO4 или этой линейки
https://doc.ruptela.lt/pages/viewpage.a … eId=884749P.andreev2008 wrote:Больше всего похож на этот: http://www.ends-russia.ru/hardware/utp-m-21-3-314
С этой железкой не сталкивался, но подозрение, что это обновленный 3.307, должен конфигурироваться стандартным конфигуратором от восьмерок или из Навигатор-С.
Так и есть. Новая версия с обновлённым протоколом передачи данных
Организую ретрансляцию данных на Виалон. За деньги.
3.314 поддерживает протокол EGTS, так что можно обойтись и без ретрансляции.
Ух-ты какая фигня.
Я такую только 8.003 знаю, чтобы с молексами.
На нее вот.
Спасибо! В общем не заработал. Кому нужна одна такая дохлая штуковина, пишите, договоримся.
Спасибо! В общем не заработал. Кому нужна одна такая дохлая штуковина, пишите, договоримся.
Хорошая штука. В хозяйстве пригодится: капусту солить, паяльник ложить на неё можно
Добрый день, попался в руки УТП-М-21-7.100. Было бы здорово, если бы кто-нибудь поделился его конфигуратором на metroyand@yandex.ru
Добрый день, попался в руки УТП-М-21-7.100. Было бы здорово, если бы кто-нибудь поделился его конфигуратором на metroyand@yandex.ru
Трекер конфигурируется удалённо, посредством сервера и ПО "Навигатор-С"
AleksGPS wrote:Добрый день, попался в руки УТП-М-21-7.100. Было бы здорово, если бы кто-нибудь поделился его конфигуратором на metroyand@yandex.ru
Трекер конфигурируется удалённо, посредством сервера и ПО "Навигатор-С"
Локального конфигуратора не существует? Разъем mini-USB в нём присутствует и в компьютере прекрасно определяется.
AleksGPS Все равно протокол закодирован и работать со сторонними платформами возможно только через ретрансляцию с серверов ФИЦ ЕНДС
AleksGPS Все равно протокол закодирован и работать со сторонними платформами возможно только через ретрансляцию с серверов ФИЦ ЕНДС
А ФИЦ научился второй частотный вход передавать с 3.307/8.000 ?
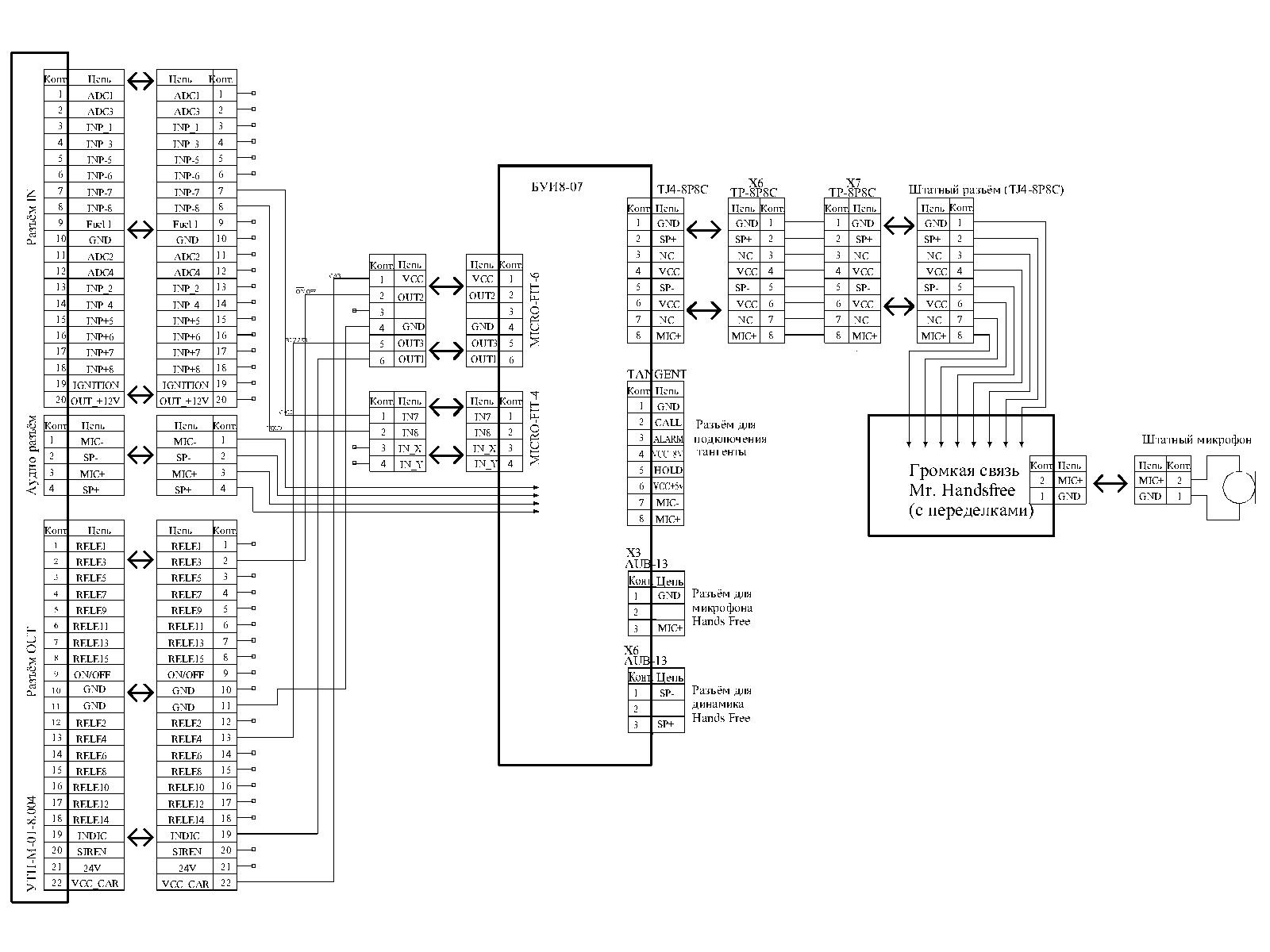
Господа, подскажите по УТП прибору такой момент. Видим исполнение под громкую связь , идет коннектор RJ-45 и от него три провода в терминал белый, желтый и зеленый. Какая у них распиновка ? Я так полагаю там масса, микрофон и динамик.
yavi wrote:AleksGPS Все равно протокол закодирован и работать со сторонними платформами возможно только через ретрансляцию с серверов ФИЦ ЕНДС
А ФИЦ научился второй частотный вход передавать с 3.307/8.000 ?
это лучше уточнять у ФИЦ.
Ретрансляция к нам идет по принципу "как есть" по совершенно другому протоколу. Какую-либо техническую поддержки по данным приборам, к сожалению, мы оказать не можем.
это лучше уточнять у ФИЦ
У меня чисто праздное любопытство. Раньше просто не умели.
Владеет-ли кто-нибудь электронной почтой производителя? Закиньте пожалуйста в л/с
Владеет-ли кто-нибудь электронной почтой производителя? Закиньте пожалуйста в л/с
По всем вопросам, связанным с интересующим Вас оборудованием, просьба обращаться в коммерческую службу ООО НПО "Навигатор Индастриз".
302006, Г. Орел, Ул. Московская, 155
Телефон: +7 (4862) 444-001
E-mail: nvg@ntcnvg.ru, marketing@ntcnvg.ru
Пока не ответили. а вот эти злосчастные провода громкой связи.
Пока не ответили. а вот эти злосчастные провода громкой связи.
Покопался в архиве.
Вроде как оно подключается через БУИ - Блок управления и индикации.
Схемы вот.
Буду изучать, но странное дело. В нашем случае провод который соединяется с Hs.free штуковиной выходит прямо из терминала, без промежуточных блоков, и там не ошибиться, т.к. провод этот припаян в самом UTP, выходит и имеет разъем Rj-45 куда уже втыкается сама штука Hs.free
Пока не ответили. а вот эти злосчастные провода громкой связи.
Поздравляю Вас. Вы счастливый обладатель навигационного терминала УТП-М-01.8.003.6
Отвечая на Ваш вопрос: Эти проводки для подключения могудя БГСИ (Блок Громкой Связи и Индикации).
Поиск в гугле подскажет, что это за зверь.
yavi wrote:AleksGPS Все равно протокол закодирован и работать со сторонними платформами возможно только через ретрансляцию с серверов ФИЦ ЕНДС
А ФИЦ научился второй частотный вход передавать с 3.307/8.000 ?
Не знаю, как там насчёт ФИЦ, но я умею )
БГСИ (Блок Громкой Связи и Индикации).
Тот же БУИ с динамиком
Не знаю, как там насчёт ФИЦ, но я умею )
Я тоже умею. А вот ФИЦ раньше не умел ![]()
Ну не так это выглядит...
Есть УТП, который подключатеся через RJ-45 напрямую на Mr.Handsfree штуку (где есть динамик и микрофон), понятно что функционал сходен, но в Гугле я не нашел описания контактов под коннектор RJ-45 в сторону Mr.Handsfree...
24Glonass Серийные способы такие. А что там конкретно в вашей железке - только Орёл знает.
День добрый. Поделитесь мануалом, конфигуратором и прошивками для УТП-М-21-3.314.2
vovan143_88@mail.ru
Добрый день. Поделитесь манулалом, конфигуратором и прошивкой для УТП-М-21-3.410.0.
vladimirsbts@gmail.com
Заранее спасибо
vova_chk ну промотайте вы на несколько сообщений. Это Сигнал S-2551. Конфигуратор, маны и все прочее - на сайте Навтелекома
Здравствуйте,
Передайте пожалуйста конфигуратор для УТП-М-01-3.314.
По модели вроде УТП-М-01-3.314.
Но точно не уверен.
Выглядет как этот: http://www.ends-russia.ru/hardware/utp-m-21-3-314
Пробовал подключится с этим конфигуратором: https://navtelecom.ru/programmnoe-obesp … or-v-2-6-2
Попытки подключится закончились тем что в логе пишет: "COM: can't open port[]! Не удается найти указанный файл."
Хочу попробовать поднять его на Wialon Hosting. Кто то пробовал? Может как Навтелеком?
GlobalSoft,
https://files.fm/u/2hndwwvv - конфигуратор.
https://files.fm/u/pdqq77xx - драйвер ком-порта.
Если прибор версии 3.314, то его можно подключить напрямую по EGTS, если ниже, тогда только через ретрансляцию.
Подскажите пожалуйста, где взять конфигуратор на 3.307, я знаю что подходит от 8.00, но от 8 тоже нигде не могу найти
dsl85, из предыдущего сообщения конфигуратор подходит ко всем моделям УТП.
Здравствуйте! Помогите определить что это за модель! Нужен конфигуратор и мануал по прибору!https://drive.google.com/open?id=1BBOvC … FaeyrC4RW6
audiodesigns 8000e или что-то типа
Конфигуратор из 311 поста должен подойти
Ringo а мануал где можно найти конфигуратор совсем прям г
audiodesigns а мана отдельного нет. Оно же под Навигатор-С делалось. И настройка чаще всего из него же и делается.
https://www.dropbox.com/s/qejb37yt1kmo3 … 5.pdf?dl=0
Люди добрые поделитесь конфигуратором Навигатор С
audiodesigns Навигатор - это не конфигуратор, а серверный софт + клиент к нему
День добрый. Поделитесь, пожалуйста, мануалом, конфигуратором и прошивками для УТП-М-21-3.314.1
a.ilminsky@gmail.com
Все доброго времени суток. Как завести прибор УТП-М-21-3.314.1 на виалон через EGTS
Что-то никак не пойму как его переключить в EGTS
Переключается специальной смс. Сама смс бинарная, с телефона не наберешь. Пишите в личку, помогу.
Здравствуйте, прошу помощи, нужна прошивка, конфигуратор, инструкции и мануалы для устройства
УТП-М-x1-8.005 elektro502720@mail.ru или продам их, чтоб не мучиться
elektro502720 Приборы работают через сервера ФИЦ ЕНДС с последующей ретрансляцией куда-либо.
Таким образом, без прямого контакта с ЕНДС все равно не обойтись.
Объявления о продаже Вы можете разместить в специальном разделе: https://forum.gurtam.com/viewforum.php?id=30
Приветствую.
Кто-нибудь сталкивался с терминалом MTA 37MI http://mcem.ru/terminals/mta-37-mi?
Вроде как-то связан с ЕНДС. Может там тоже внутренности руптелы какой-нибудь ![]()
navi77 На данный момент у нас нет информации о данной компании и приборах.
Отправили запросы на интеграцию производителю. Если получим ответ -- мы вас уведомим. Но вероятность успеха не велика.
МТА вроде Техноавтоматика раньше делала
http://www.okb-ta.ru/index.php?option=c … p;Itemid=9
Они были совместимы с Навигатор-С.
navi77 На данный момент у нас нет информации о данной компании и приборах.
Отправили запросы на интеграцию производителю. Если получим ответ -- мы вас уведомим. Но вероятность успеха не велика.
Заранее спасибо.
МТА вроде Техноавтоматика раньше делала
http://www.okb-ta.ru/index.php?option=c … p;Itemid=9
Они были совместимы с Навигатор-С.
Да, видел. Смутило, что в перечне оборудования нет MTA 37MI да и внешний вид не характерный.
navi77 Таки я угадал. На сайте МЦМ сертификат на МТА выдан Техноавтоматике.
navi77 Таки я угадал. На сайте МЦМ сертификат на МТА выдан Техноавтоматике.
Там еще и от Нависета есть. Так что не факт, что все от Техноавтоматики.
navi77 на фото предыдущие МТА с наклейкой МЦМ, так что думаю они.
Ни у кого не завалялось документации b проги для смены прошивки. на 3307 и на 3314 ? И я так понимаю настраивать их только через NvgSetup?
navi77 на фото предыдущие МТА с наклейкой МЦМ, так что думаю они.
Все оказалось именно так ![]()
На 3307 https://www.dropbox.com/s/k2drs6xbdjkmf1k/3307.zip?dl=0
Настраивать - да, через NvgSetup
3314 вроде как конфиг на самом приборе (он как съемный диск находится).
На 3307 https://www.dropbox.com/s/k2drs6xbdjkmf1k/3307.zip?dl=0
Настраивать - да, через NvgSetup3314 вроде как конфиг на самом приборе (он как съемный диск находится).
Спасибо.
Странно, настроил как и 800х, но данные на сервер не приходят. Прошивка от 3307, владелец терминалов утверждает, что это 3314.
Как флешка не открывает, хотя возможно дрова другие нужны.
Куплю терминалы УТП... предложения (желательно с фото) отправляйте на yuvs@bk.ru
Странно, настроил как и 800х, но данные на сервер не приходят. Прошивка от 3307, владелец терминалов утверждает, что это 3314.
Для 3314 свой тип оборудования в Навигатор-С
Navigator MTA 3314
Возможно, что и порт свой в службе GPRS. У меня они были только на посмотреть, поэтому деталей не знаю
Куплю терминалы УТП... предложения (желательно с фото) отправляйте на yuvs@bk.ru
Чисто из любопытства, а зачем? Не проще тех же сигналов/смартов закупить?
Для 3314 свой тип оборудования в Навигатор-С
Navigator MTA 3314
Возможно, что и порт свой в службе GPRS. У меня они были только на посмотреть, поэтому деталей не знаю
Вероятнее всего это 3307, т.к. в Навигаторе завелся, но данные только по запросу шлет.
Даже прошивки разные не помогают.
UPD
Оказался все-таки 3307. Все решилось перебором прошивок. Подошла только одна.
Добрый день
Подскажите как конфигурируется (СМС, прямое подключение через NvgSetup, удаленное подключение через NvgSetup) прибор MTA 6r GPRS?
Если есть возможность подскажите - какими командами, СМС
MTA 6r GPRS
Это совсем другой производитель http://okb-ta.ru:100/support/gps-glonass
Ну да. Все верно. Только эти приборы конечникам, которых мы будем обслуживать, продавались через Москву от ЕНДС. Поэтому и возник вопрос. Ходил я на этот сайт. Только по ссылке "Формат команд MTA6+GPRS" ничего не выдается. И напрямую его как я понял тоже нельзя завести на WH? Или я что то не правильно понял?
Или я что то не правильно понял?
На сайте есть конфигуратор http://okb-ta.ru:100/files/program/Term … 20Win8.exe
На форуме тема https://forum.gurtam.com/viewtopic.php?id=4724
Производитель https://gurtam.com/ru/hw-manufacturers/ … automatica
Напрямую должен подключаться (но это не точно) при условии, что протокол не менялся.
И напрямую его как я понял тоже нельзя завести на WH?
Скорей всего заведется как https://gurtam.com/ru/gps-hardware/auto/mta-12-3
только вот в соответствующей теме написано, что поддержка протокола минимальная (координаты + дискретные входы)
У нас есть 1 шт. в Навигатор-С, с ДУТ на RS485 и температурником DS18B20. Два года уже катается, проблем не было.
Только вот настраивать СМСками геммор.
продавались через Москву от ЕНДС
Очень сомнительно. ЕНДС и его дилеры никогда не продавали МТА.
Возможно кто-то из перекупов подсуетился.
конечникам, которых мы будем обслуживать
Не Лобня-Транс случаем?
Так, ребят, спасибо. Скачал конфигуратор, машины уехали ))). Удаленно на одном приборе смс-кой прописал адрес, порт хостинга, прибор завелся как МТА12-3. Шлет в сообщении параметров в принципе много.
status=2, mileage=7977, fuel_accum1=0, fuel_accum2=3023464171, motorhours1=1870, motorhours2=0, adc1=0, adc2=0, adc3=0, adc4=0, ign=0, microlan_ext_temp=-50, management=0, curr_dry_contacts=4095, prev_dry_contacts=4095, pwr_int=4.1, pwr_ext=12.5, microchip_temp=6, ant_gps=0, gsm_level=4
Подскажите - еще оказывается есть МТА8000е (тип прибора, указанный в Навигатор С, а по факту что это?), которые в отличие от МТА8004 (тип прибора, указанный в Навигатор С, а по факту УТП М8,004?) ни на смс, ни на запрос по модему не отвечают и ничего не делают. А как с ними бороться? Прямого подключения по шнурку еще не было - машины в разъездах.
\\ "Не Лобня-Транс случаем?" - нет не они
Ребята помогите конфиг для УТП найти??? Если есть на почту скиньте obraz_2009@mail.ru
Терминалы УТП-М-21-3.314 и что то похожее на УТП-М-x1-8.005 только с двумя антенами GPS и GSM
Добрый день форумчане. Если кто знает - подскажите, как бороться с mta37mi? Информации на просторах интернета что то вообще прям скудно а точнее нет
Добрый день!
Прочитал всю ветку, но вопрос остался, как настроить терминал УТП-М-21-7.100, не могу найти драйвер, устройство определяется как UTP-M-31-7100.
Прочитал всю ветку, но вопрос остался, как настроить терминал УТП-М-21-7.100, не могу найти драйвер, устройство определяется как UTP-M-31-7100.
Настроить куда? Определяется где?
Андрей_159 wrote:Прочитал всю ветку, но вопрос остался, как настроить терминал УТП-М-21-7.100, не могу найти драйвер, устройство определяется как UTP-M-31-7100.
Настроить куда? Определяется где?
Определяется в диспетчере устройств
Андрей_159 кроме как информации в прайсе, у себя никакой информации не нашел.
Если есть сервер Навигатора - заводите на него и мучайте по СМС/CSD.
sccop wrote:Андрей_159 wrote:Прочитал всю ветку, но вопрос остался, как настроить терминал УТП-М-21-7.100, не могу найти драйвер, устройство определяется как UTP-M-31-7100.
Настроить куда? Определяется где?
Определяется в диспетчере устройств
На Виалон, видимо, настроить не получится, только через ретрансляцию,
Доброго времени суток. Нужен мануал и конфигуратор на УТП-М-21-7.100
(dancespeed@yandex.ru)
Спасибо.
Здравствуйте. Скиньте пожалуйста конфигуратор на Мобильный терминал УТП-М-01-8.004
(d.i.m.k.e.r@mai.ru)
Заранее спасибо.
Интересуют услуги ретрансляции с приборов УТП.
Ждем предложений в личку или на почту info(собака)uralprofit.com.
Добрый день. Нужен мануал и конфигуратор на УТП-М-01-8.103
Почта: rps63@yandex.ru
Спасибо.
Всем привет! Просьба обновить ссылку на конфигуратор, выложенный в этом сообщении #311 (битые ссылки уже):
https://files.fm/u/2hndwwvv - конфигуратор.
https://files.fm/u/pdqq77xx - драйвер ком-порта.
(или сбросить на почту: ogir@bk.ru)
- нужен конфигуратор на УТП-М-X1-3.307 / УТП-М-01-3.314
Требуются услуги по ретрансляции с терминалов УТП.
Жду предложений в личку или на почту service(собака)tachograph55.ru.
Всем привет! Просьба прислать конфигуратор и драйвер на УТП-М-21-3.307 на почту v.lukyanovich@gmail.com или обновить ссылки в теме. Спасибо!
Привет всем!
Просьба прислать конфигуратор и драйвер на УТП-М-21-3.314 на почту rvl@agrosturman.ru или обновить ссылки в теме (в сообщени #311 битые).
Спасибо!
Victor090172
драйвера там обычные от SiLabs CP210x должны быть, берутся с офсайта производителя моста
https://www.silabs.com/products/develop … cp-drivers
Конфигуратор можете взять из дистрибутива Навигатор-С:
http://strg.ntcnvg.ru/update/
Установщик тут, ставите галки на все компоненты, после этого в папке с программой NVGSetup.exe
PS: сам не сталкивался с 3314, в конфигураторе такой тип терминала есть. Будет ли конфижиться - понятия не имею.
Victor090172
драйвера там обычные от SiLabs CP210x должны быть, берутся с офсайта производителя моста
https://www.silabs.com/products/develop … cp-drivers
Конфигуратор можете взять из дистрибутива Навигатор-С:
http://strg.ntcnvg.ru/update/
Установщик тут, ставите галки на все компоненты, после этого в папке с программой NVGSetup.exePS: сам не сталкивался с 3314, в конфигураторе такой тип терминала есть. Будет ли конфижиться - понятия не имею.
Спасибо большое!
Возможно кому-то нужен терминал УТП-М-21-3.314, состояние нового? Готов продать по договорной цене или обменять на какой-нибудь другой прибор из "незакрытых" систем.
Добрый день!
Ребята, кто может поделиться МАНУАЛОМ и КОНФИГУРАТОРОМ к линейке оборудования УТП-м?
support@sm-smart.ru
Держите.
https://www.dropbox.com/s/jj503i6a1o2ok … F.zip?dl=0
Только они все-равно напрямую в Wialon'е не поддержаны.
Спасибо!
Пишите в личку, дам наводку.
Для администрации: бесплатно, просто указывать данные о технической базе стороннего производителя не совсем корректно в открытый доступ.
Добрый день!
Ребята, кто может поделиться МАНУАЛОМ и КОНФИГУРАТОРОМ к линейке оборудования УТП-м?
support@sm-smart.ru
Добрый день!
В наличии УТП-М-21-3.410.1 какой конфигуратор использовать?
3.407 и 3.410 - это Навтелеком S-2117 и S-2551
Для 3.407 использовать Навтелекомовский конфигуратор 2.55
Для 3.410 - можно брать последний 3.xx
Спасибо!
А не подскажите, возможна ли там отправка TCP-команд?
Не можем найти...
Там - это где? В Сигналах?
Есть, команды в протоколе:
https://navtelecom.ru/images/documentat … 817%29.pdf
В УТП тоже есть, но только с родного сервера, протокол там закрытый.
Спасибо большое!
Ув. Ringo
1 Подскажите есть ли где более (относительно 75se_1cr) новые прошивки для УТП 8004?
2 Коснулся ли ролловер данных приборов?
3 Порядка 10-ти приборов сдохли однотипно - на части не работает GPS но работает GSM. На части сдохло все - не работает ни GSM ни GPS
Выход - выкинуть все на помойку?
1 Подскажите есть ли где более (относительно 75se_1cr) новые прошивки для УТП 8004?
75se - это имена файлов, актуальной прошивкой у нас считается 58_806C_8005e (она же накатывалась и на 8004, если правильно помню)
2 Коснулся ли ролловер данных приборов?
Коснулся. Причем в рамках одной серии были как проблемные приборы, так и нормальные. Причем там несколько волн было.
Фикс на стороне сервера, прошивок вроде как не выпускалось.
3 Порядка 10-ти приборов сдохли однотипно - на части не работает GPS но работает GSM. На части сдохло все - не работает ни GSM ни GPS
Выход - выкинуть все на помойку?
GPS - смотря как. Пострадавшие от ролловера отбивались в навигаторе со спутниками и "?" рядом с позицией. Мы их чиним серверным фиксом.
GSM от ролловера не страдал. И за весь мой стаж работы с УТПшками GSM там очень редко умирал.
Вообще ЕНДС предлагает отправлять им на ремонт, но что-то смысла я не вижу. На малом количестве приборов ремонт + доставка туда-обратно будут сравнимы с новыми бюджетными терминалами (Teltonika/Смарты/Арнави)
75se - это имена файлов, актуальной прошивкой у нас считается 58_806C_8005e (она же накатывалась и на 8004, если правильно помню)
У меня прошивка в приборах 58-70FFFFFFBC-8005 Ну и вопрос сразу - прошивкой поделиться можете? или это коммерческая тайна и собственность?
а умерший GSM выглядит в навигаторе вот таким образом. Как будто бы все работает, но на сервере он не отсвечивает. Конечно, СИМ проверена на его собрате - все рабочее
У меня прошивка в приборах 58-70FFFFFFBC-8005 Ну и вопрос сразу - прошивкой поделиться можете? или это коммерческая тайна и собственность?
Да вроде нет.
Держите https://www.dropbox.com/s/ket8q8uijgux3 … B2.7z?dl=0
а умерший GSM выглядит в навигаторе вот таким образом. Как будто бы все работает, но на сервере он не отсвечивает. Конечно, СИМ проверена на его собрате - все рабочее
Может с ID беда?
У меня был ряд УТПшек или SIM у которых ID сдвинут.
Т.е. вместо 020273125371876 присылался 20273125371876F
Да вроде нет.
Держите
Спасибо большое. Но у меня еще вопрос есть - терминалы в режиме загрузчика. Как я понимаю - в них окочурилась внутренняя флэш - память? Их можно как то вернуть к жизни или стукнуть куда нибудь чтобы в них восстановились какие то заводские настройки? Отформатировалась флэшка в конце концов
Пробовать прошивки от разных версий.
Если ни одна не шьется, то на помойку.
В 2018 году официалы хотели за компонентный ремонт 550 руб. + стоимость деталек + доставка туда-обратно. + Батарейка наверняка померла за эти годы, лично я смысла не вижу колупаться.
Здравствуйте, можно пожалуйста мануал и конфигуратор для УТП-М-01-8.005 на почту ? (dm-197529@mail.ru)
dm-197529 https://www.dropbox.com/s/jj503i6a1o2ok … F.zip?dl=0
Только смысл? Напрямую он в Wialon не поддержан, и с большой долей вероятности пострадал от переполнения счетчика недель.
Фикс - только серверный.
Коснулся. Причем в рамках одной серии были как проблемные приборы, так и нормальные. Причем там несколько волн было.
Фикс на стороне сервера, прошивок вроде как не выпускалось.
Прошивки с исправлением ролловера выпускаются с апреля 2019 и для серии 8.00x (для 8005/8007 - начиная с 58-9003-800х), и для серии 3.30x (для 3.307 — с версии 59-4044-3307). Правда, чаще действительно применяется серверное исправление.
AnTrii Спасибо за информацию.
Просто на тот момент "знакомым" клиентам/партнерам, кто на серверах Орла работал, предлагалось только серверное решение.
Если выпустили фикс-прошивки - хорошо. У нас серверное исправление, а так стараемся заменять УТПшки по мере выхода из строя.
Добрый день, подскажите пожалуйста на UTP-M-21-3.314_v003.2 возможно ли исправление ролловера с помощью прошивки?
Добрый день. Да, для УТП 3.314 регулярно выходят новые прошивки, но высылают их только через техподдержку. Впрочем, не припомню, чтобы сталкивался на них с такой проблемой. Может, повезло, а может, серверное исправление накатили раньше.
Здравствуйте!
Нужна помощь! Есть ли у кого-нибудь руководство и ПО для конфигурирования УТП серии 8 и УТП серии 3.41? У Заказчика небольшой парк с этим оборудованием, переадресацию настроить надо. Производитель выдапет ПО только партнерам(( Буду очень признателен и благодарен!!
ть ли у кого-нибудь руководство и ПО для конфигурирования УТП серии 8
Так они же напрямую не поддержаны Wialon'ом
И пользуйтесь поиском, ссылку я тут уже раз 5й выкладываю
https://www.dropbox.com/s/jj503i6a1o2ok … F.zip?dl=0
УТП серии 3.41
3.407, 3.408 и 3.410 - это Навтелеком, S-2117, S-23xx и S-2551. Конфигуратор - на сайте производителя.
Эта информация тоже есть в теме.
Добрый день.
Ищу ретрансляцию с терминалов утп по егтс или wialon ips, интересует( трэк и топливо)
по стоимости прошу писать в ЛС.
День добрый.
Прочитав последние сообщения из форума, понял (как я понял), что для конфигурации приборов УТП-М-21-3.310, используется конфигуратор Навтелекома (выбрав в конфиге прибор, соответствующий модели УТП).
Вопрос: какому терминалу в конфиге соответствует прибор УТП-М-21-3.310?
Либо если имеется отдельный конфиг, для УТП-М, скиньте, пожалуйста на a.gantsgorn@antey-gk.ru
Благодарю за ответ.
УТП-М-21-3.310
- эти терминалы конфигурируются вроде как через текстовые файлы (определяются как накопитель).
конфигуратор Навтелекома
используется для 3.4xx
a.gantsgorn wrote:УТП-М-21-3.310
- эти терминалы конфигурируются вроде как через текстовые файлы (определяются как накопитель).
a.gantsgorn wrote:конфигуратор Навтелекома
используется для 3.4xx
Благодарю за ответы.
По конфигу навтелекома понял, но вот про конфиг через текстовый файл, пока мало понятного. Ничего подобного не нашел, как сконфигурировать. В любом случае, спасибо.
Если кто-то сталкивался с подобным, дайте обратную связь.
Доброго времени суток, прошу помощи, нужен конфигуратор Навигатор Индастриз (support@ugranavi.com)
Доброго времени суток!
Можем организовать ретрансляцию большинства существующих девайсов UTP-Navigator в протоколе IPS.
Всем привет!
MTA 37MI - у кого нибудь есть от данного девайса конфигуратор?
Aleks_Navi это ж не УТП. Разберите, посмотрите, что на плате написано. Возможно, какой-нибудь ребренд, например, Навтелекома
Доброго времени суток!
Можем организовать ретрансляцию большинства существующих девайсов UTP-Navigator в протоколе IPS.
Здравствуйте
На текущий момент можем ретранслировать приборы UTP-Navigator в следующих протоколах:
1)Wialon IPS (включая топливо)
2)Wialon retrans
3)Nis
4)Granit Navigator
5)Skaut
6)Cyber GLX
7)VT300
8)EGTS
9)SOAP
10)TransNavi
11)Teltonika
у меня Мобильный терминал УТП-М-21-3.314. С компанией, которая мне его установила и обслуживала мониторинг я расторг отношения. Что я могу с этим терминалом делать дальше? Жалко.. стоит денег
ledzepp3 имхо, проще продать.
Мы с этой моделью почти не сталкивались, надо смотреть, менялся ли протокол и может ли кто ее ретранслировать.
Парни приветствую, досталось мне такое устройство, УТП-М-31-8.500. 6 так сказать для опытов. Опыта нет в этой сфере вообще, помогите пожалуйста попасть к нему в могз. Желательно поподробнее, при надобности отбагодорю. Почта borshev086@gmail.com заранее спасибо.